Einkaufswagen
Mein Konto

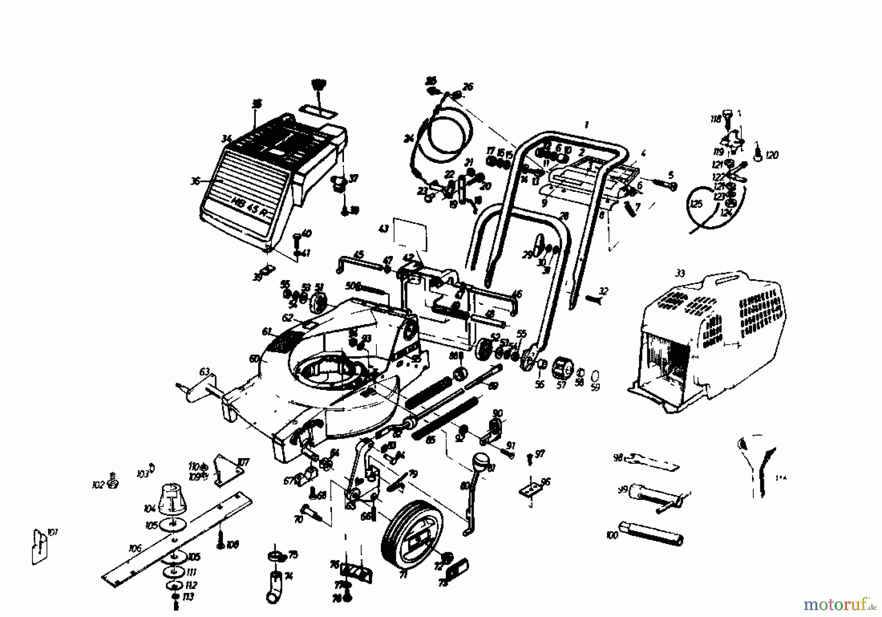
Gutbrod HB 45 R 02627.03 (1985) Ersatzteile

02627.03 (1985) HB 45 R

 Gutbrod Motormäher mit Antrieb HB 45 R 02627.03  (1985) Grundgerät

Hier finden Sie die Ersatzteilzeichnung für Gutbrod Motormäher mit Antrieb HB 45 R 02627.03 (1985) Grundgerät. Wählen Sie das benötigte Ersatzteil aus der Ersatzteilliste Ihres Gutbrod Gerätes aus und bestellen Sie einfach online. Viele Gutbrod Ersatzteile halten wir ständig in unserem Lager für Sie bereit.

BildNrArtikel NummerBezeichnung
1 079.05.274OBERHOLM
2 079.05.890E-TEIL LIEFERUMFANG ARMATURENB
4 000.49.357HINWEISSCHILD (START-STOP)
5 22.5410.51LINSENSENKSCHR.M.KREUZDIN 966
6 24.6481.14SCHEIBE A 6,4 DIN 125-St
7 000.31.023ZUGFEDER
8 079.05.270VERSTAERKUNGSBLECH
9 000.49.321HINWEISSCHILD
10 079.05.231LAGERBUCHSE Zn5glcB
11 24.8195.14FEDERRING DIN 127
12 24.1421.14SECHSKANTMUTTER DIN 934
13 000.02.406ANSCHLUSSCHRAUBE VERZINKT
14 24.6273.23PASS- & STÜTZSCHEIBE DIN 988
15 24.6486.15SCHEIBE VERZINKT DIN 9021
16 24.8195.12FEDERRING DIN 127
17 24.3423.12HUTMUTTER DIN 1587
18 079.19.167SCHALTSTANGE
19 079.19.165SCHALTHEBEL
20 090.49.118SCHRAUBE
21 000.55.027SICHERUNGSCLIP
22 079.19.847SCHALTHEBELTRAEGER VOLLST.
23 25.8426.10BOLZEN MIT GROSSEM KOPDIN 1436
24 079.19.851SCHALTZUG KPL.
25 000.02.335BOLZEN f. SL-SICHERUNG
26 000.55.024SL-SICHERUNG VERZINKT
29 090.26.829FLUEGELMUTTER SCHWARZ RAL9005
30 24.8191.18FAECHERSCHEIBE DIN 6798
31 24.6481.18SCHEIBE DIN 125
32 22.3417.33FLACHRD-SCHR.M 4KT-ANSDIN 603
33 079.80.924GRASFANGKORB KPL.M.VERLAENGERU
34 079.24.945E-TEIL -LIEFERUMFANG HAUBE
35 000.49.184AUFKLEBESCHILD
36 000.48.982NAMENSCHILD
37 079.24.079BEFESTIGUNGSKLAMMER
39 079.24.092UNTERLAGE
40 21.1441.70SECHSKANTSCHRAUBE DIN 933
41 24.8195.18FEDERRING DIN 127
42 079.25.392HECKKLAPPE ROT RAL 3000
43 000.49.423HINWEISSCHILD
45 079.25.287STANGE RECHTS
46 079.25.286STANGE LINKS
47 28.3491.06GREIFRING DIN N
48 079.25.285HUELSE
49 000.31.142SCHENKELFEDER
50 000.02.331HAMMERSCHRAUBE
51 079.05.129HOLMARRETIERUNG RECHTS
52 079.05.120HOLMARRETIERUNG LINKS
53 24.6486.25SCHEIBE DIN 9021
54 24.8190.24SICHERUNGSSCHEIBE DIN N
55 24.1424.25FLACHE-SECHSKANTMUTTERDIN 936
56 079.05.122DISTANZBUCHSE
57 079.05.848STERNGRIFF VOLLST.
58 24.3421.55HUTMUTTER DIN 917
59 000.34.145VERSCHLUSSTOPFEN
60 079.25.976RASENMAEHERGEHAEUSE KPL.
61 079.25.383ANTIRUTSCHBELAG
62 000.49.073HINWEISSCHILD PVC-FOLIE
63 079.29.883ACHSE VORNE VOLLST.
64 24.6273.40PASS UND STUETZSCHEIBEDIN 988
65 079.29.700VERSTELLSTUECK VOLLST.
66 25.3197.95SPANNHUELSE DIN 1481
67 079.29.230ACHSHALTERUNG
68 000.02.334TAPTITE-SCHRAUBE VERZINKT
70 079.29.216RADBOLZEN
71 079.29.949RAD KPL. ET-SET
72 000.02.361SECHSKANTMUTTER
73 Gutbrod RADKAPPE (ROT RAL 2002)079.29.455RADKAPPE (ROT RAL 2002)
74 079.11.613ANSCHLUSSROHR VOLLST.
75 001.10.114SCHELLE
76 079.25.406ABDECKUNG
77 24.6481.12SCHEIBE VERZINKT DIN 125
78 000.02.341TAPTITE-SCHRAUBE VERZINKT
79 000.30.260FEDER
80 079.29.891VERSTELLHEBEL VOLLST.
81 000.36.023KUGELKNOPF SCHWARZ PH 40X10
82 079.29.952STANGE KPL.M.KLEBESCH.
83 000.55.024SL-SICHERUNG VERZINKT
84 000.02.335BOLZEN f. SL-SICHERUNG
85 000.30.258DRUCKFEDER
88 23.4454.20GEWINDESTIFT DIN 914
89 000.49.044ANZEIGE
90 079.29.237WINKEL
91 22.5410.45LINSENSENKSCHR.M.KREUZDIN 966
92 000.20.601SCHEIBE
93 24.8191.14FAECHERSCHEIBE DIN 6798
94 24.1421.14SECHSKANTMUTTER DIN 934
95 000.49.049SCHNITTHOEHENANZEIGE
96 079.25.393ABDECKUNG
97 000.02.341TAPTITE-SCHRAUBE VERZINKT
98 000.40.355EINMAULSCHLUESSEL 894
99 000.40.853ZUENDKERZENSCHLUESSEL M. STIFT
100 000.40.440SCHLUESSEL
101 000.41.298ARRETIERUNGSBLECH
102 000.02.333MOTORBEFESTIGUNGSSCHRAUBE
103 25.5239.09SCHEIBENFEDER DIN 6888
104 079.77.123MESSERNABE
105 090.26.344REIBSCHEIBE
106 079.77.818MESSER VOLLST.
107 079.77.122LUFTLEITBLECH *S*
108 000.02.379FLACHRUNDSCHRAUBE VERZINKT
109 24.8195.14FEDERRING DIN 127
110 24.1421.14SECHSKANTMUTTER DIN 934
111 090.26.387SCHEIBE VERZINKT
112 090.26.348FEDERSCHEIBE SCHWARZ
113 24.8195.22FEDERRING DIN 127
116 000.82.089TRICHTER PLASTIK 75 MM
118 21.1441.48SECHSKANTSCHRAUBE DIN 933-8.8
119 079.11.257TRAEGER FUER GASHEBEL
120 000.02.337PLASTITE-SCHRAUBE VERZINKT
121 079.11.174REIBSCHEIBE
122 079.11.660GASHEBEL VOLLST.
123 24.6486.16SCHEIBE DIN 9021
124 24.1426.14SICHERUNGSMUTTER-ANS DIN 985
125 079.11.125BOWDENZUG
Rasen
Bankeinzug, MasterCard, Visa, American Express, PayPal, Nachnahme, Vorauskasse, Sofortüberweisung
Qualitätsmanagement
Informieren Sie uns, wenn Sie einen Fehler gefunden haben.