Bosch Kettensäge AKE 40-19 S Ersatzteile
AKE 40-19 S Kettensäge
Artikel Nummer: 3 600 H36 F00 (3600H36F00)

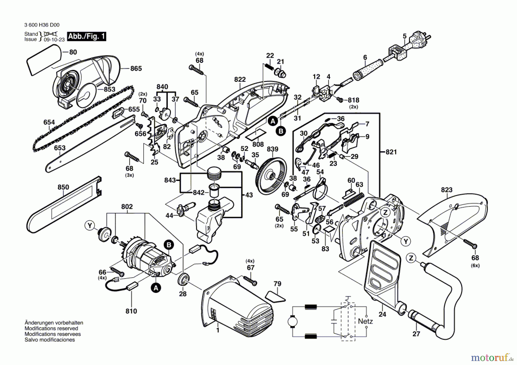
Hier finden Sie die Ersatzteilzeichnung für Bosch Gartengeräte Kettensäge AKE 40-19 S Seite 1. Wählen Sie das benötigte Ersatzteil aus der Ersatzteilliste Ihres Bosch Gerätes aus und bestellen Sie einfach online. Viele Bosch Ersatzteile halten wir ständig in unserem Lager für Sie bereit.
Häufig benötigte Bosch Kettensäge AKE 40-19 S Ersatzteile

Artikelnummer: 1 605 190 190
Suche nach: 1 605 190 190
Hersteller: Bosch
Bosch Ersatzteil AKE 40-19 S
Suche nach: 1 605 190 190
Hersteller: Bosch
Bosch Ersatzteil AKE 40-19 S
3.95 €
für EU incl. MwSt., zzgl. Versand






