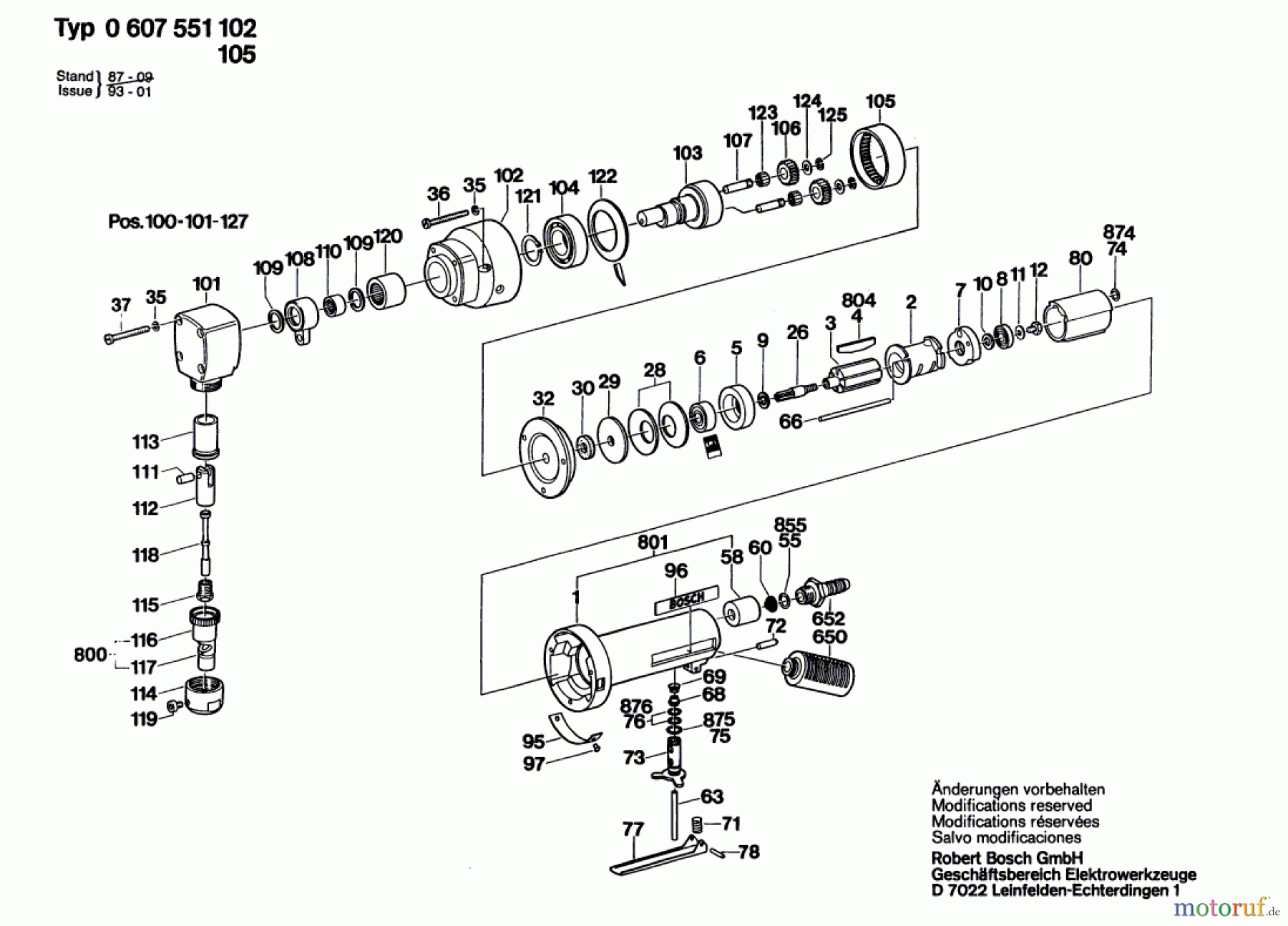
Bosch Nager 370 WATT-SERIE Ersatzteile
370 WATT-SERIE Nager
Artikel Nummer: 0 607 551 105 (0607551105)

Hier finden Sie die Ersatzteilzeichnung für Bosch Werkzeug Nager 370 WATT-SERIE Seite 1. Wählen Sie das benötigte Ersatzteil aus der Ersatzteilliste Ihres Bosch Gerätes aus und bestellen Sie einfach online. Viele Bosch Ersatzteile halten wir ständig in unserem Lager für Sie bereit.



