Bestgreen BG Pro 18105 HRBK 13HT71KN655 (2016) Schaltplan Ersatzteile
Schaltplan 13HT71KN655 (2016)

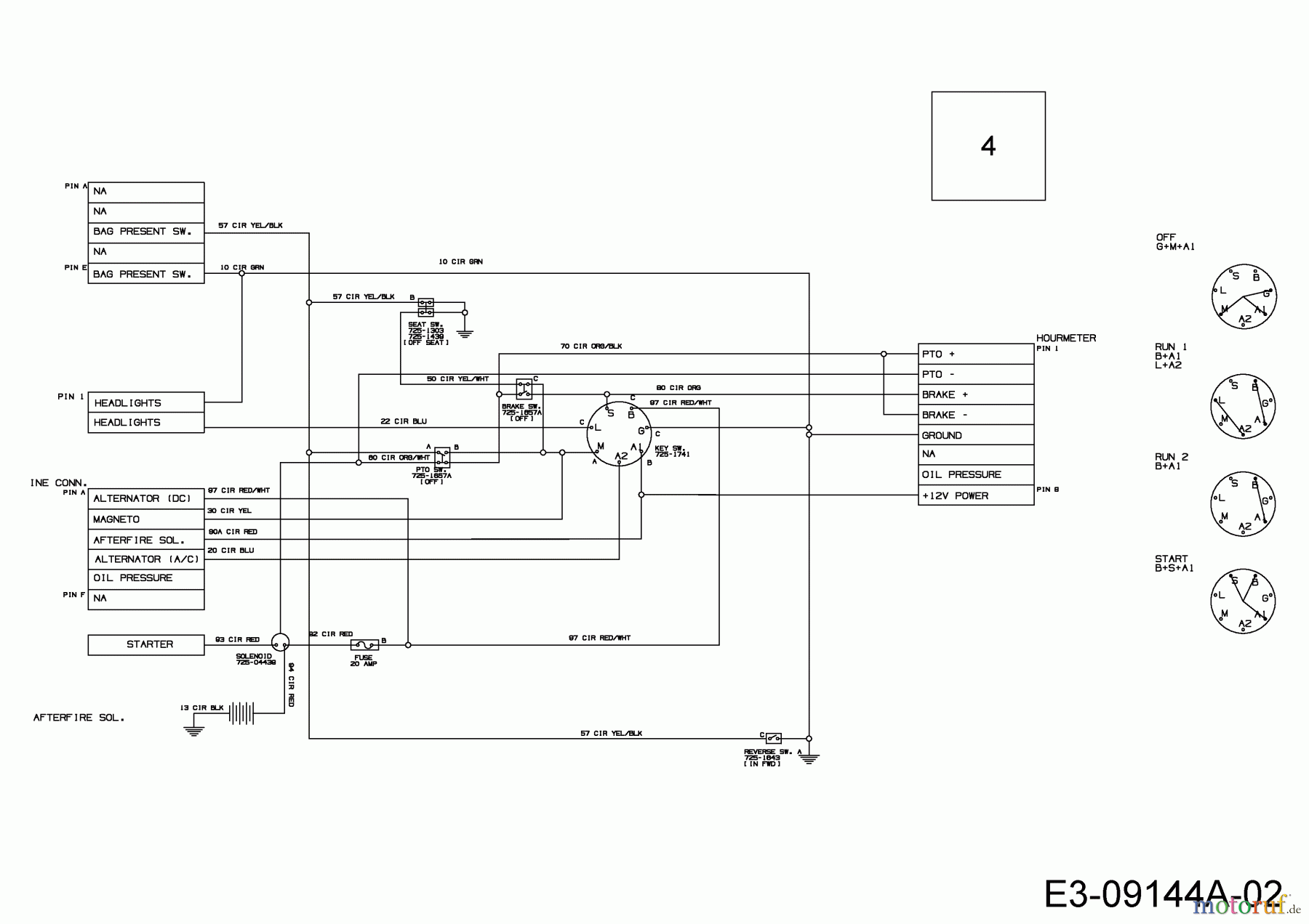
Hier finden Sie die Ersatzteilzeichnung für Bestgreen Rasentraktoren BG Pro 18105 HRBK 13HT71KN655 (2016) Schaltplan. Wählen Sie das benötigte Ersatzteil aus der Ersatzteilliste Ihres Bestgreen Gerätes aus und bestellen Sie einfach online. Viele Bestgreen Ersatzteile halten wir ständig in unserem Lager für Sie bereit.
| BildNr | Artikel Nummer | Bezeichnung | |
| 4 | 725-05504A | KABELBAUM:LT-5:B&S:HL:4NRMC | |


Qualitätsmanagement
Informieren Sie uns, wenn Sie einen Fehler gefunden haben.

