Troy-Bilt TB 230 12AVB2A3711 (2015) Getriebe Ersatzteile
Getriebe 12AVB2A3711 (2015)

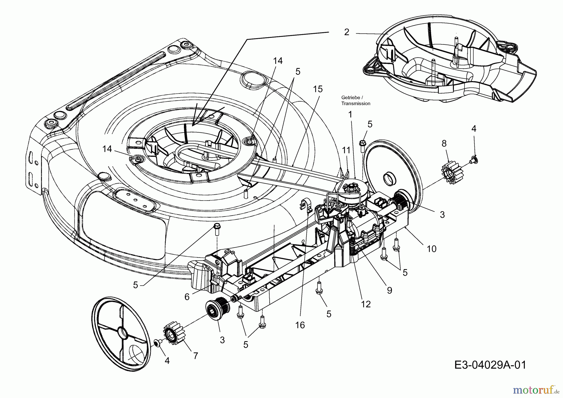
Hier finden Sie die Ersatzteilzeichnung für Troy-Bilt Motormäher mit Antrieb TB 230 12AVB2A3711 (2015) Getriebe. Wählen Sie das benötigte Ersatzteil aus der Ersatzteilliste Ihres Troy-Bilt Gerätes aus und bestellen Sie einfach online. Viele Troy-Bilt Ersatzteile halten wir ständig in unserem Lager für Sie bereit.


Qualitätsmanagement
Informieren Sie uns, wenn Sie einen Fehler gefunden haben.




