Einkaufswagen
Mein Konto

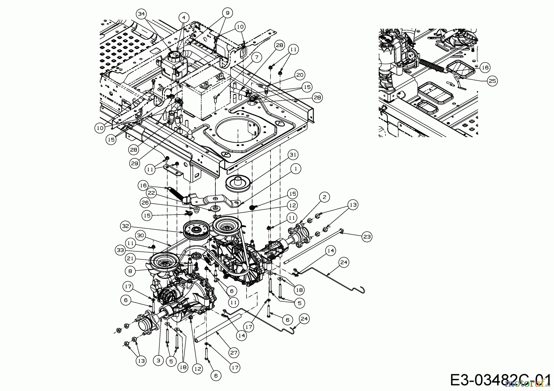
Cub Cadet XZ 3-48 17BIDGHB603 (2017) Fahrantrieb Ersatzteile

Fahrantrieb 17BIDGHB603 (2017)

 Cub Cadet Zero Turn XZ 3-48 17BIDGHB603  (2017) Fahrantrieb

Hier finden Sie die Ersatzteilzeichnung für Cub Cadet Zero Turn XZ 3-48 17BIDGHB603 (2017) Fahrantrieb. Wählen Sie das benötigte Ersatzteil aus der Ersatzteilliste Ihres Cub Cadet Gerätes aus und bestellen Sie einfach online. Viele Cub Cadet Ersatzteile halten wir ständig in unserem Lager für Sie bereit.

Rasen
Bankeinzug, MasterCard, Visa, American Express, PayPal, Nachnahme, Vorauskasse, Sofortüberweisung