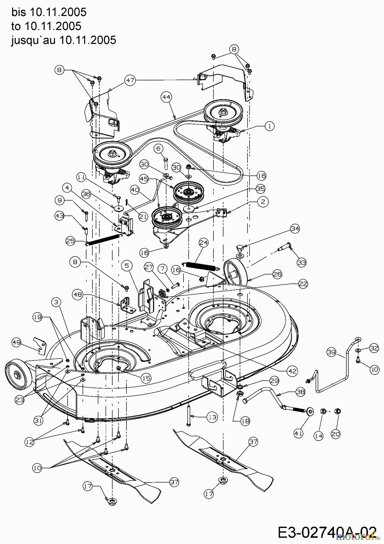
MTD RS 180/107 13A3762G600 (2006) Mähwerk G (42"/107cm) mit Räder bis 10.11.2005 Ersatzteile
Mähwerk G (42"/107cm) mit Räder bis 10.11.2005 13A3762G600 (2006)

Hier finden Sie die Ersatzteilzeichnung für MTD Rasentraktoren RS 180/107 13A3762G600 (2006) Mähwerk G (42"/107cm) mit Räder bis 10.11.2005. Wählen Sie das benötigte Ersatzteil aus der Ersatzteilliste Ihres MTD Gerätes aus und bestellen Sie einfach online. Viele MTD Ersatzteile halten wir ständig in unserem Lager für Sie bereit.
































