Gutbrod MB 60-52 07514.03 (1990) Fahrantrieb Ersatzteile
Fahrantrieb 07514.03 (1990)

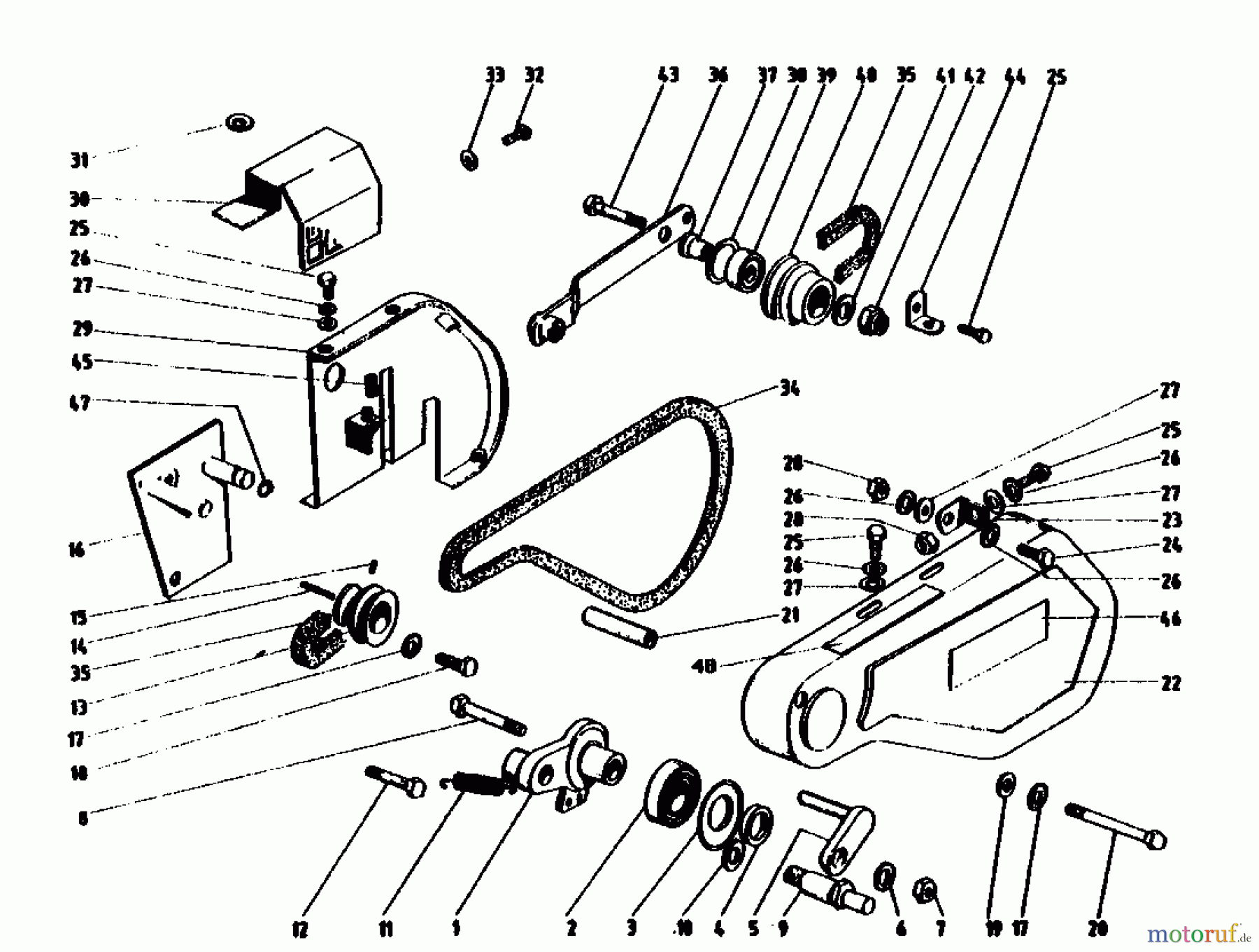
Hier finden Sie die Ersatzteilzeichnung für Gutbrod Motorhacken MB 60-52 07514.03 (1990) Fahrantrieb. Wählen Sie das benötigte Ersatzteil aus der Ersatzteilliste Ihres Gutbrod Gerätes aus und bestellen Sie einfach online. Viele Gutbrod Ersatzteile halten wir ständig in unserem Lager für Sie bereit.





