Einkaufswagen
Mein Konto

Colombia PX 18 KT 107 H 13CG79GG646 (2014) Mähwerk G (42"/107cm) Ersatzteile

Mähwerk G (42"/107cm) 13CG79GG646 (2014)

 Colombia Rasentraktoren PX 18 KT 107 H 13CG79GG646  (2014) Mähwerk G (42

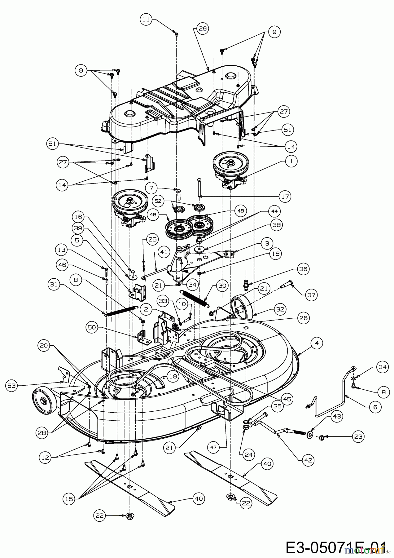
Hier finden Sie die Ersatzteilzeichnung für Colombia Rasentraktoren PX 18 KT 107 H 13CG79GG646 (2014) Mähwerk G (42"/107cm). Wählen Sie das benötigte Ersatzteil aus der Ersatzteilliste Ihres Colombia Gerätes aus und bestellen Sie einfach online. Viele Colombia Ersatzteile halten wir ständig in unserem Lager für Sie bereit.

BildNrArtikel NummerBezeichnung
1 Colombia MESSERSPINDEL:RIEMENSCH:6.3DIA618-04456AMESSERSPINDEL:RIEMENSCH:6.3DIA
2 683-0254BHALTER VOLLST:DECKAUFHÄNGUNG
3 683-04138BBREMSE VOLLST:DECK:42"
4 683-04262A
5 Colombia BRAKE ASM: DECK: LT5683-04167BRAKE ASM: DECK: LT5
6 683-04443KEILRIEMENFÜHRUNG VOLLST:42"
7 Colombia 6KT-SCHR:3/8-16:1.75:GR5:STD710-03476KT-SCHR:3/8-16:1.75:GR5:STD
8 Colombia 6KT-SCHRAUBE:TT:5/16-18:.750710-044846KT-SCHRAUBE:TT:5/16-18:.750
9 710-05045A6KT-SCHRAUBE:TT:5/16-18:.750
10 Colombia 6KT-SCHR:5/16-18:1.25:GR5:STD710-05286KT-SCHR:5/16-18:1.25:GR5:STD
11 Colombia 6KT-SCHRAUBE:TT:1/4-20:0.500710-05996KT-SCHRAUBE:TT:1/4-20:0.500
12 710-07516KT-SCHR:1/4-20:.620:GR5:STD
13 Colombia 6KT-SCHR:TT:1/4-20:1.500:HXIND710-07786KT-SCHR:TT:1/4-20:1.500:HXIND
14 Colombia 6KT-SCHR:B:#10-16:0.440:HEX710-09196KT-SCHR:B:#10-16:0.440:HEX
15 Colombia 6KT-SCHR:TT:5/16-18:.750710-1260A6KT-SCHR:TT:5/16-18:.750
16 Colombia 6KT-SCHR:5/16-18:.75 GR5:STD710-30086KT-SCHR:5/16-18:.75 GR5:STD
17 Colombia 6KT-SCHR:3/8-16:3.50:GR5:STD710-30856KT-SCHR:3/8-16:3.50:GR5:STD
18 Colombia KLEMMSCHEIBE:3/8712-0229KLEMMSCHEIBE:3/8
19 Colombia 6KT-BUNDMUTTER:5/16-18:NYLON712-040636KT-BUNDMUTTER:5/16-18:NYLON
20 Colombia 6KT-BUNDMUTTER:1/4-20:NYLON712-040646KT-BUNDMUTTER:1/4-20:NYLON
21 Colombia S-6KT-BUNDMUTTER 3/8-16:NYLON712-04065S-6KT-BUNDMUTTER 3/8-16:NYLON
22 Colombia 6KT-BUNDMUTTER:5/8-18712-0417A6KT-BUNDMUTTER:5/8-18
23 Colombia KRONENMUTTER:1/2-13712-04243KRONENMUTTER:1/2-13
24 Colombia 6KT-MUTTER:FL:M16-1.5 DIN 936712-06416KT-MUTTER:FL:M16-1.5 DIN 936
25 Colombia FEDERSTECKER714-04040FEDERSTECKER
26 Colombia ZAHNRAD:Z10:DECKEINSTELLUNG717-04074ZAHNRAD:Z10:DECKEINSTELLUNG
27 Colombia DRUCKSCHEIBE:.3125 ID726-0201DRUCKSCHEIBE:.3125 ID
28 726-0233DRUCKSCHEIBE:.25 ID X .50 OD
29 Colombia KEILRIEMENABDECKUNG:DECK 42"731-05657BKEILRIEMENABDECKUNG:DECK 42"
30 Colombia ZUGFEDER:.75 OD x 6.375LG732-04280BZUGFEDER:.75 OD x 6.375LG
31 Colombia ZUGFEDER:.500 DIA x 6.375LG732-04287ZUGFEDER:.500 DIA x 6.375LG
32 734-0973DECKRAD:5.0 x 1.38
33 Colombia FEDERRING:5/16" NORMALAUSF.736-0119FEDERRING:5/16" NORMALAUSF.
34 Colombia SCHEIBE:FLACH:.406 x.875 x.059736-0300SCHEIBE:FLACH:.406 x.875 x.059
35 Colombia SCHNORR-SCHEIBE 17x23.8x1.95736-0760SCHNORR-SCHEIBE 17x23.8x1.95
36 Colombia WASCHDÜSE:DECK:737-04003DWASCHDÜSE:DECK:
37 Colombia SCHULTERSCHR:.496x1.525:3/8-16738-0373SCHULTERSCHR:.496x1.525:3/8-16
38 Colombia BUNDSCHEIBE:.8840 x .190738-04162CBUNDSCHEIBE:.8840 x .190
39 738-04166DISTANZSTÜCK:.5000 x.1475
40 Colombia MESSER:21.23"LG:HIGH LIFT:3IN1742-0616AMESSER:21.23"LG:HIGH LIFT:3IN1
41 747-04379ABREMSSTANGE:42" DECK
42 Colombia HALTESTANGE:DECK:VORN 42" LT5747-04882HALTESTANGE:DECK:VORN 42" LT5
43 748-04069GELENKSCHALE:DECKAUSHEBUNG
44 Colombia BUNDBUCHSE:HEBELFÜHRUNG748-05029ABUNDBUCHSE:HEBELFÜHRUNG
45 750-04446HÜLSE:3/8 ID x.68 OD x 1.46 LG
46 Colombia DISTANZSTÜCK:.260x.372x1.030 L750-0566ADISTANZSTÜCK:.260x.372x1.030 L
47 Colombia KEILRIEMEN:V:A:96.5":ARAM:C2754-04060CKEILRIEMEN:V:A:96.5":ARAM:C2
48 Colombia SPANNROLLE:4.25" DIA:HD756-05042SPANNROLLE:4.25" DIA:HD
49 771-11725AANHÄNGER:SICHERHEIT:DEFLEKTOR
50 783-04740FÜHRUNGSBL:BOWDENZUG:DECKBETÄT
51 783-05497BLECH:KEILRIEMENFÜHRUNG
52 Colombia ABDECKBLECH:RD:SPANNROLLE:HD783-08389ABDECKBLECH:RD:SPANNROLLE:HD
53 783-1025ANSCHLAG:DELEKTOR
Rasen
Bankeinzug, MasterCard, Visa, American Express, PayPal, Nachnahme, Vorauskasse, Sofortüberweisung
Qualitätsmanagement
Informieren Sie uns, wenn Sie einen Fehler gefunden haben.