Gartenland GL 17.5/105 H 13HN99GN640 (2015) Messer ab 15.01.2015 Ersatzteile
Messer ab 15.01.2015 13HN99GN640 (2015)

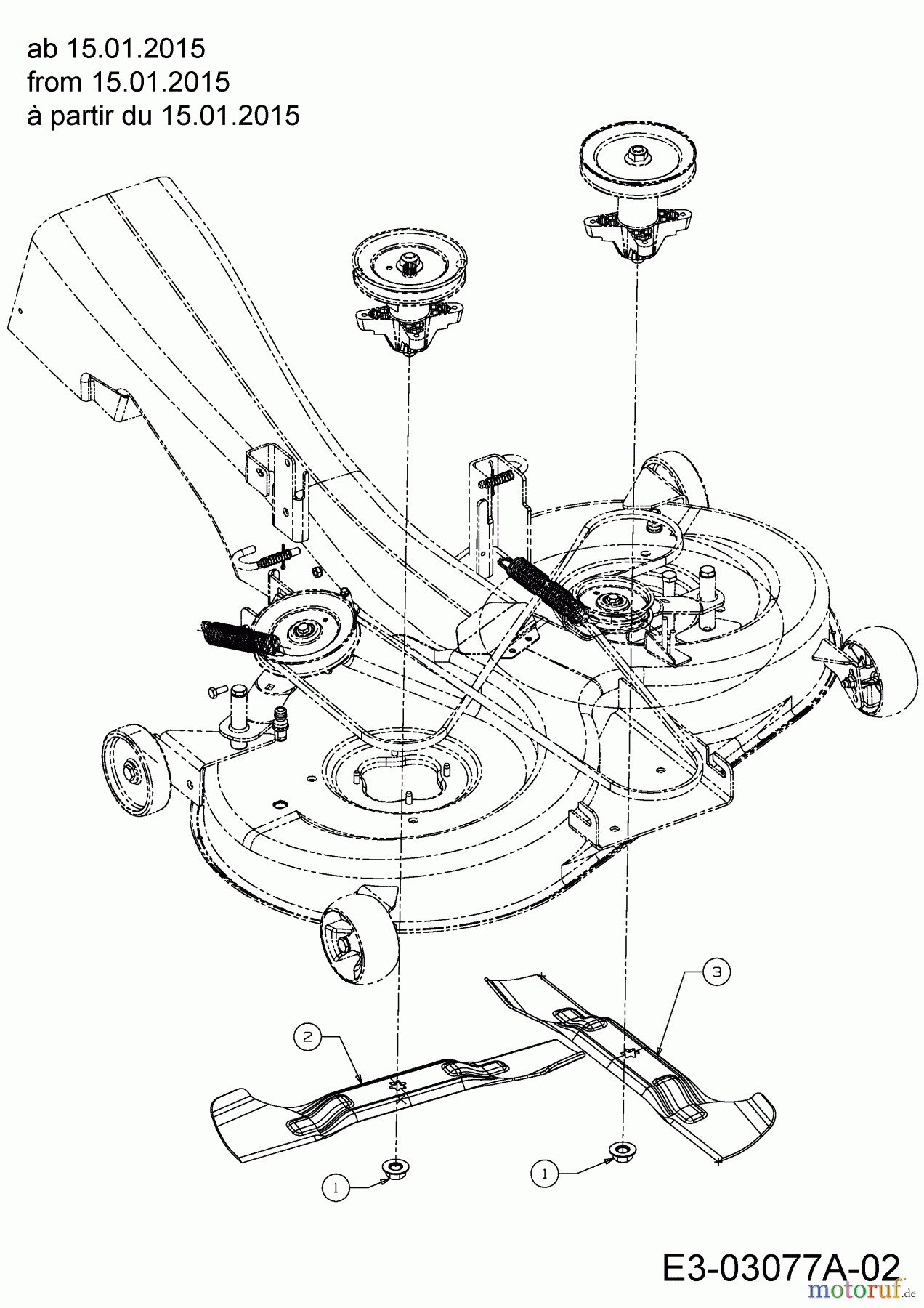
Hier finden Sie die Ersatzteilzeichnung für Gartenland Rasentraktoren GL 17.5/105 H 13HN99GN640 (2015) Messer ab 15.01.2015. Wählen Sie das benötigte Ersatzteil aus der Ersatzteilliste Ihres Gartenland Gerätes aus und bestellen Sie einfach online. Viele Gartenland Ersatzteile halten wir ständig in unserem Lager für Sie bereit.
| BildNr | Artikel Nummer | Bezeichnung | |
| 1 | ![]() | 712-0417A | 6KT-BUNDMUTTER:5/8-18 |
| 2 | ![]() | 742-0670A | MESSER RE. 21.240 LG:HIGH LIFT |
| 3 | ![]() | 742-0671A | MESSER LI. 21.240 LG:HIGH LIFT |


Qualitätsmanagement
Informieren Sie uns, wenn Sie einen Fehler gefunden haben.




