Black Edition 200-107 Twin 13HT797G615 (2015) Schaltplan bis 16.04.2015 Ersatzteile
Schaltplan bis 16.04.2015 13HT797G615 (2015)

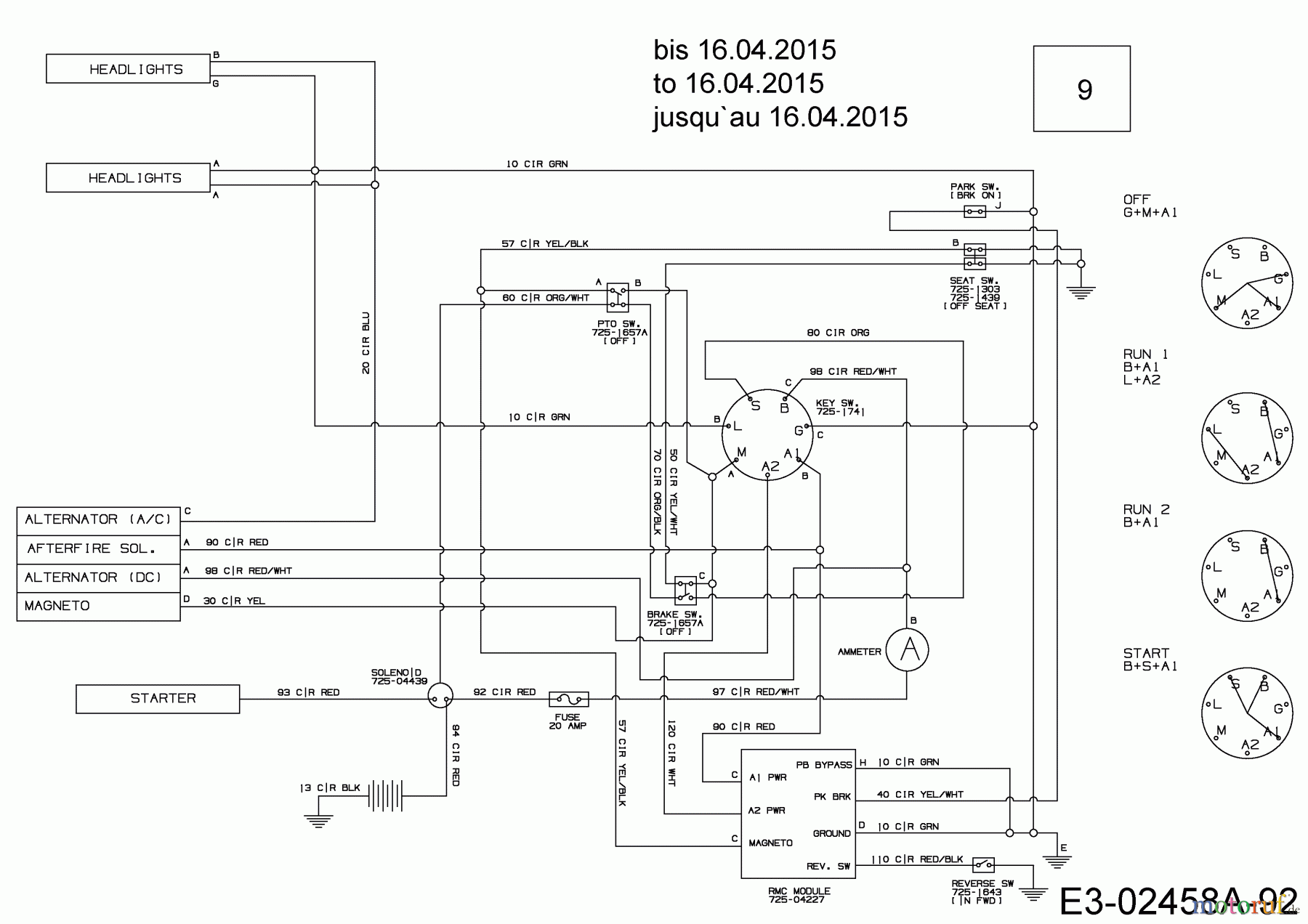
Hier finden Sie die Ersatzteilzeichnung für Black Edition Rasentraktoren 200-107 Twin 13HT797G615 (2015) Schaltplan bis 16.04.2015. Wählen Sie das benötigte Ersatzteil aus der Ersatzteilliste Ihres Black Edition Gerätes aus und bestellen Sie einfach online. Viele Black Edition Ersatzteile halten wir ständig in unserem Lager für Sie bereit.
| BildNr | Artikel Nummer | Bezeichnung | |
| 9 | 725-04432G | KABELBAUM:LT-5:4RMC:HL:ACDC | |


Qualitätsmanagement
Informieren Sie uns, wenn Sie einen Fehler gefunden haben.

