Black Edition 175-92 13HN777E615 (2015) Motorhaube 7-Style ab 26.03.2015 Ersatzteile
Motorhaube 7-Style ab 26.03.2015 13HN777E615 (2015)

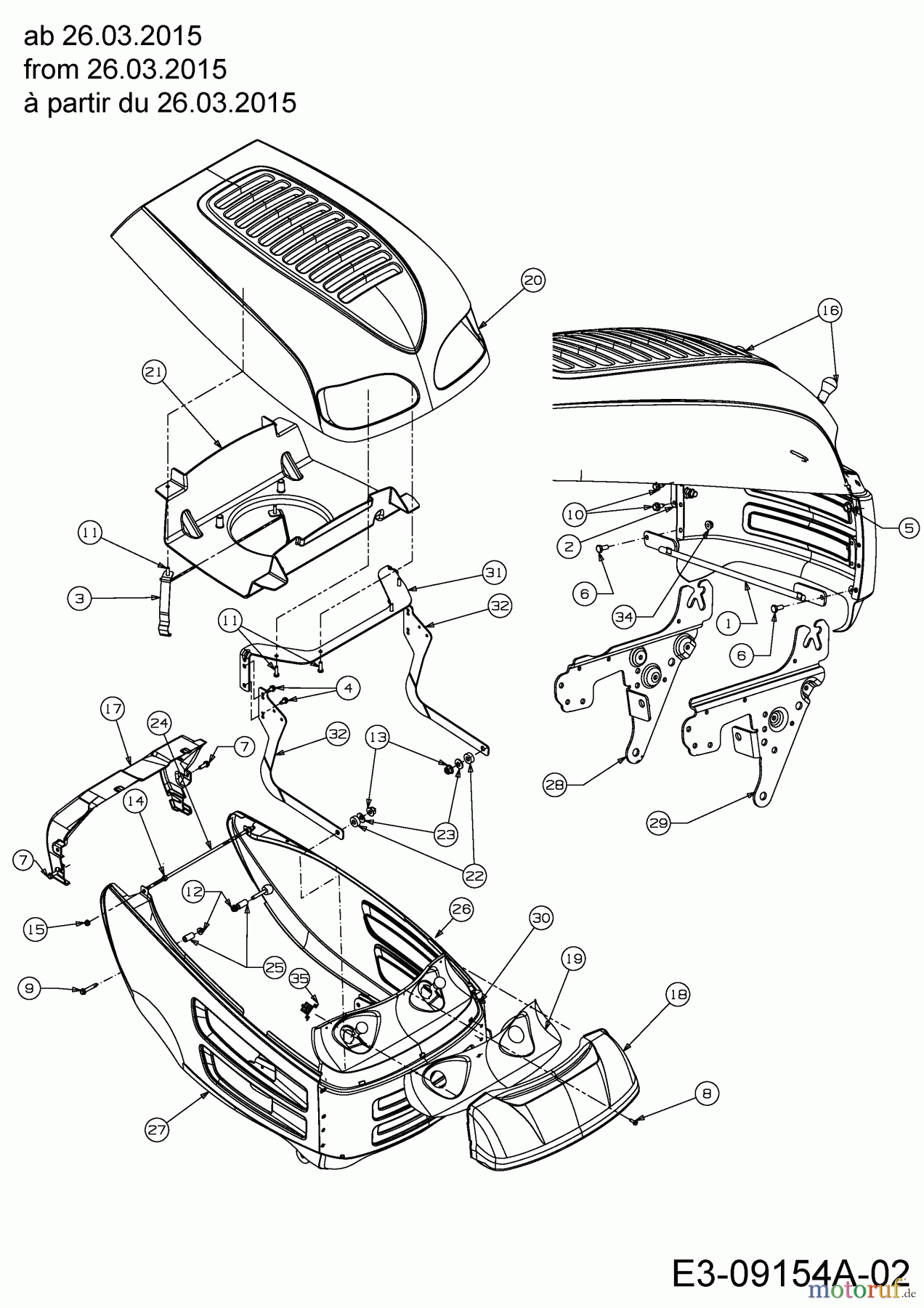
Hier finden Sie die Ersatzteilzeichnung für Black Edition Rasentraktoren 175-92 13HN777E615 (2015) Motorhaube 7-Style ab 26.03.2015. Wählen Sie das benötigte Ersatzteil aus der Ersatzteilliste Ihres Black Edition Gerätes aus und bestellen Sie einfach online. Viele Black Edition Ersatzteile halten wir ständig in unserem Lager für Sie bereit.


Qualitätsmanagement
Informieren Sie uns, wenn Sie einen Fehler gefunden haben.














