Verts Loisirs VLK2 25H127 GC 13AI92TP417 (2009) Schaltplan Ersatzteile
Schaltplan 13AI92TP417 (2009)

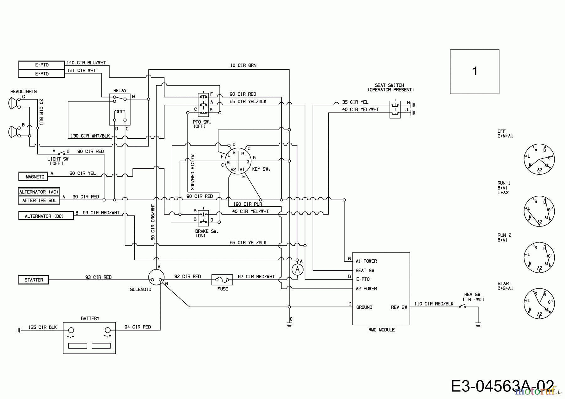
Hier finden Sie die Ersatzteilzeichnung für Verts Loisirs Rasentraktoren VLK2 25H127 GC 13AI92TP417 (2009) Schaltplan. Wählen Sie das benötigte Ersatzteil aus der Ersatzteilliste Ihres Verts Loisirs Gerätes aus und bestellen Sie einfach online. Viele Verts Loisirs Ersatzteile halten wir ständig in unserem Lager für Sie bereit.
| BildNr | Artikel Nummer | Bezeichnung | |
| 1 | 725-04822 | HAUPTKABELBAUM | |



