Mastercut 2033 B 41AD0UXB659 (2014) Auspuff, Kolben, Kurbelwelle, Vergaser Ersatzteile
Auspuff, Kolben, Kurbelwelle, Vergaser 41AD0UXB659 (2014)

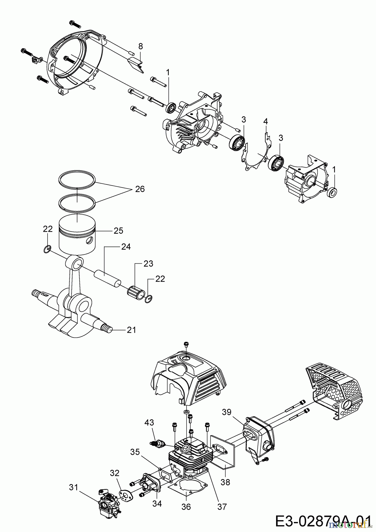
Hier finden Sie die Ersatzteilzeichnung für Mastercut Motorsensen 2033 B 41AD0UXB659 (2014) Auspuff, Kolben, Kurbelwelle, Vergaser. Wählen Sie das benötigte Ersatzteil aus der Ersatzteilliste Ihres Mastercut Gerätes aus und bestellen Sie einfach online. Viele Mastercut Ersatzteile halten wir ständig in unserem Lager für Sie bereit.


Qualitätsmanagement
Informieren Sie uns, wenn Sie einen Fehler gefunden haben.

