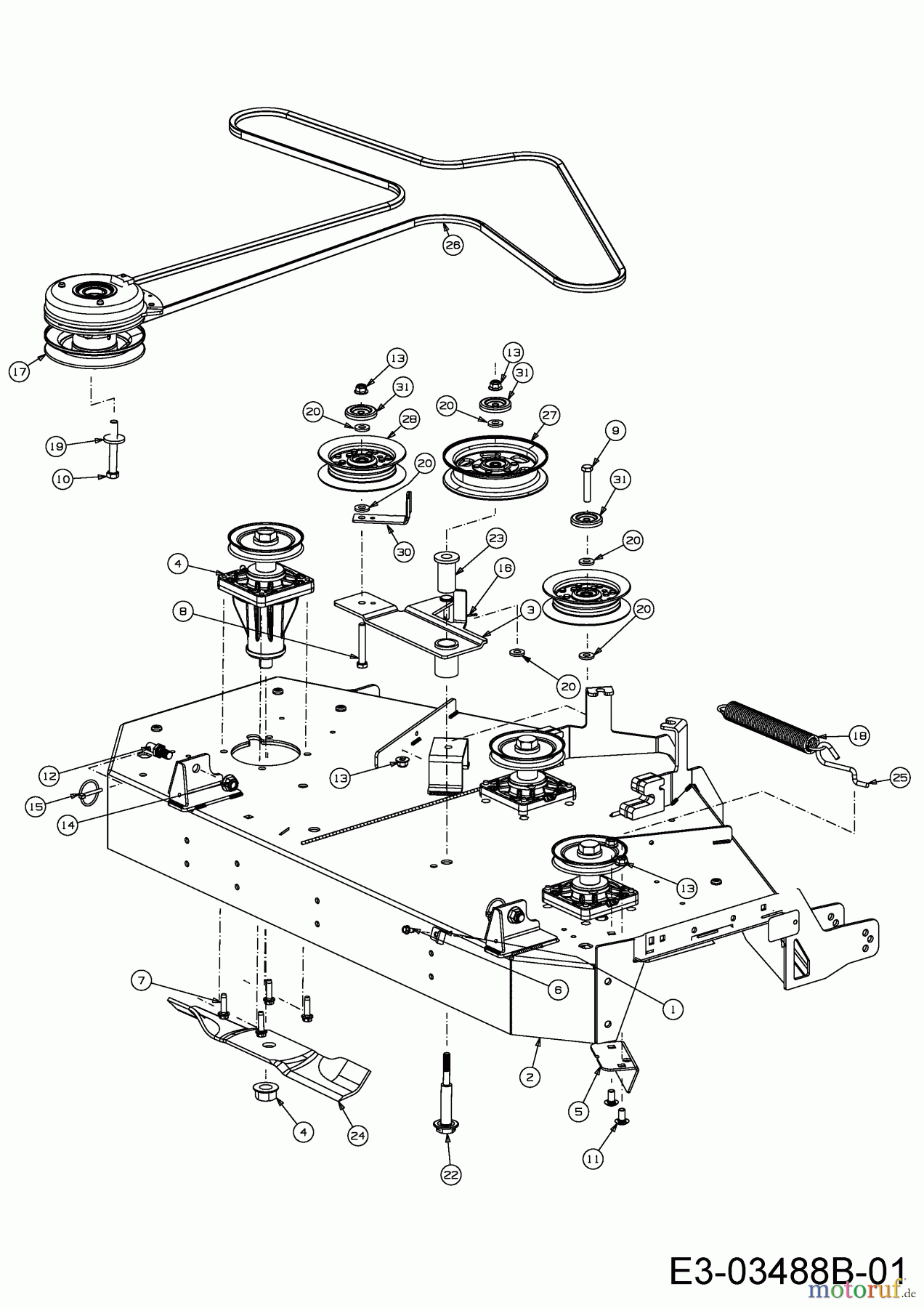
Cub Cadet Z-Force SZ 48 17AIDGHB603 (2015) Mähwerk B (48"/122cm) Ersatzteile
Mähwerk B (48"/122cm) 17AIDGHB603 (2015)

Hier finden Sie die Ersatzteilzeichnung für Cub Cadet Zero Turn Z-Force SZ 48 17AIDGHB603 (2015) Mähwerk B (48"/122cm). Wählen Sie das benötigte Ersatzteil aus der Ersatzteilliste Ihres Cub Cadet Gerätes aus und bestellen Sie einfach online. Viele Cub Cadet Ersatzteile halten wir ständig in unserem Lager für Sie bereit.














