Cub Cadet Z-Force SZ 48 17AIDGHB603 (2015) Sitzplatte, Trägerplatte Tank, Tankverkleidung Ersatzteile
Sitzplatte, Trägerplatte Tank, Tankverkleidung 17AIDGHB603 (2015)

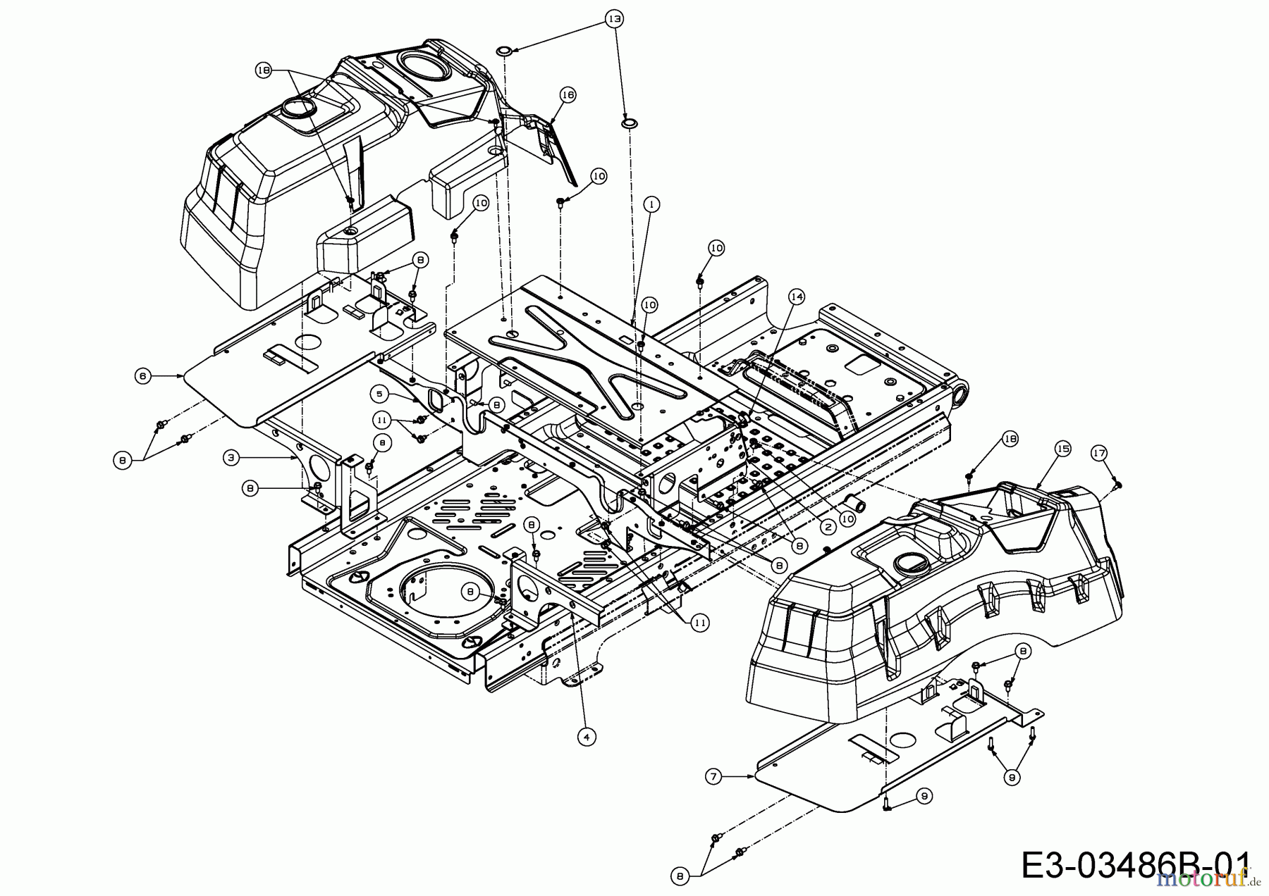
Hier finden Sie die Ersatzteilzeichnung für Cub Cadet Zero Turn Z-Force SZ 48 17AIDGHB603 (2015) Sitzplatte, Trägerplatte Tank, Tankverkleidung. Wählen Sie das benötigte Ersatzteil aus der Ersatzteilliste Ihres Cub Cadet Gerätes aus und bestellen Sie einfach online. Viele Cub Cadet Ersatzteile halten wir ständig in unserem Lager für Sie bereit.


Qualitätsmanagement
Informieren Sie uns, wenn Sie einen Fehler gefunden haben.



