Einstellungen Computer

Cub Cadet LGTX 1050 13AS92AP056 (2015) Fahrantrieb Ersatzteile

Fahrantrieb 13AS92AP056 (2015)

 Cub Cadet Rasentraktoren LGTX 1050 13AS92AP056  (2015) Fahrantrieb

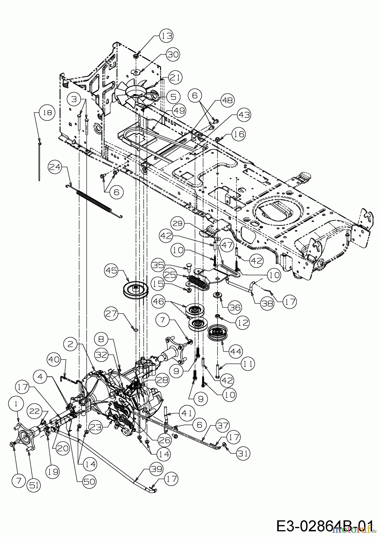
Hier finden Sie die Ersatzteilzeichnung für Cub Cadet Rasentraktoren LGTX 1050 13AS92AP056 (2015) Fahrantrieb. Wählen Sie das benötigte Ersatzteil aus der Ersatzteilliste Ihres Cub Cadet Gerätes aus und bestellen Sie einfach online. Viele Cub Cadet Ersatzteile halten wir ständig in unserem Lager für Sie bereit.

BildNrArtikel NummerBezeichnung
1 618-04228ARADAUFNAHME VOLLST:4-LOCH:CUB
2 618-04270BHYDR. ANTRIEB VOLLST.
3 710-01766KT-SCHR:5/16-18:2.75:GR5:STD
4 Cub Cadet 6KT-BLECHSCHR:#8-18:0.500:HXIN710-02276KT-BLECHSCHR:#8-18:0.500:HXIN
5 710-0351KREUZSCHLITZ-SCHR:#10-16:0.500
6 Cub Cadet 6KT-SCHRAUBE:TT:5/16-18:.750710-044846KT-SCHRAUBE:TT:5/16-18:.750
7 Cub Cadet 6KT-SCHR:5/16-24:.750:GR5:SEMS710-05339A6KT-SCHR:5/16-24:.750:GR5:SEMS
8 Cub Cadet 6KT-SCHRAUBE:TT:1/4-20:0.375710-06536KT-SCHRAUBE:TT:1/4-20:0.375
9 Cub Cadet 6KT-SCHR:TTSEMS:3/8-16:1.500:710-10076KT-SCHR:TTSEMS:3/8-16:1.500:
10 Cub Cadet 6KT-SCHR:TT:1/4-20:1.750:HXIND710-10266KT-SCHR:TT:1/4-20:1.750:HXIND
11 710-30116KT-SCHR:3/8-16:2.25:GR5:STD
12 Cub Cadet 6KT-MUTTER:7/16-20:GR2712-02406KT-MUTTER:7/16-20:GR2
13 712-0346S-MUTTER:JAMLK:1/2-20:GR.A:NYL
14 Cub Cadet 6KT-BUNDMUTTER:5/16-18:NYLON712-040636KT-BUNDMUTTER:5/16-18:NYLON
15 Cub Cadet S-6KT-BUNDMUTTER 3/8-16:NYLON712-04065S-6KT-BUNDMUTTER 3/8-16:NYLON
16 Cub Cadet S-MUTTER:FLGLK:3/8-16:GRF:TOP712-0431S-MUTTER:FLGLK:3/8-16:GRF:TOP
17 Cub Cadet SPLINT:3/32 x 1.0"714-0111SPLINT:3/32 x 1.0"
18 725-0157KABELBINDER: 3/16 X .05 X 7.4
19 Cub Cadet SCHALTKONTAKT:KURZ725-1644SCHALTKONTAKT:KURZ
20 726-0320ISOLIERPLATTE
21 Cub Cadet LÜFTERRAD:HYDRO:LEICHT731-06098LÜFTERRAD:HYDRO:LEICHT
22 731-09827AAUFSTECKHÜLSE:.765ID x 1.575LG
23 732-0209ZUGFEDER: .48 OD x 2.03
24 732-04606ZUGFEDER: .500 DIA x 12.6 LG
25 732-04792ZUGFEDER:1.00 OD x 4.75 x .125
26 Cub Cadet ZUGFEDER: .59 OD x 4.00 LG732-0716DZUGFEDER: .59 OD x 4.00 LG
27 732-0729SICHERUNGSRING:FEDERSTAHL
28 732-3118ZUGFEDER:.375 OD x 1.44 LG
29 736-0344SCHEIBE:FLACH:.385x1.000x.030
30 736-04263SPERRSCHEIBE:GETRIEBE HYDRO
31 Cub Cadet SCHEIBE:FLACH:.344x .750x .120736-3008SCHEIBE:FLACH:.344x .750x .120
32 Cub Cadet SCHEIBE:FL:.407 x.812 x.135:HD736-3010SCHEIBE:FL:.407 x.812 x.135:HD
35 738-0430SCHULTERSCHR: .50 x.685:3/8-16
36 738-04420BUNDBUCHSE:1.375x .380x .183
37 747-04139BREMSSTANGE:HYDRO
38 747-04957ASTANGE:GETRIEBE:FUSSPEDAL BYPA
39 747-04979STANGE:BETÄTIGUNG:HYDRO
40 747-04991STANGE:HYDRO BYPASS
41 747-05444ASTANGE:KEILRIEMENFÜHRUNG
42 Cub Cadet DISTANZSTÜCK:.260x.372x1.420LG750-04456DISTANZSTÜCK:.260x.372x1.420LG
43 Cub Cadet KEILRIEMEN:V-TYP:4Lx78.9"POLY754-04207KEILRIEMEN:V-TYP:4Lx78.9"POLY
44 Cub Cadet RIEMENSCHEIBE:IDLER 2.75 OD756-04224RIEMENSCHEIBE:IDLER 2.75 OD
45 756-04308KEILRIEMENSCHEIBE:4.13" DIA
46 Cub Cadet SPANNROLLE:V-TYPE x 3.06756-04325SPANNROLLE:V-TYPE x 3.06
47 783-06027BSPANNROLLENHALTER:
48 783-06133HALTER:GETRIEBE HYDRO:TRAVERSE
49 783-06260TRAGBLECH:AUSKUPPLUNG V-RIEMEN
50 783-1019BSCHALTBLECH:ACTUATOR
51 710-0852RADBOLZEN:7/16-14 x 1.6
Rasen
Bankeinzug, MasterCard, Visa, American Express, PayPal, Nachnahme, Vorauskasse, Sofortüberweisung
Datenschutzerklärung Impressum
Qualitätsmanagement
Informieren Sie uns, wenn Sie einen Fehler gefunden haben.