Cub Cadet LGTX 1050 13AS92AP056 (2014) Schaltplan Ersatzteile
Schaltplan 13AS92AP056 (2014)

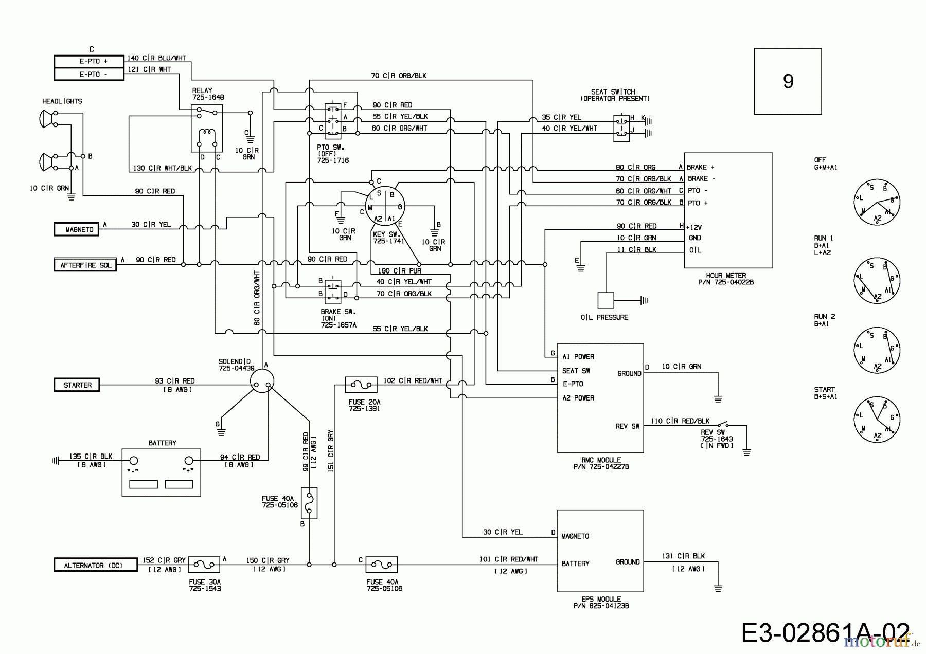
Hier finden Sie die Ersatzteilzeichnung für Cub Cadet Rasentraktoren LGTX 1050 13AS92AP056 (2014) Schaltplan. Wählen Sie das benötigte Ersatzteil aus der Ersatzteilliste Ihres Cub Cadet Gerätes aus und bestellen Sie einfach online. Viele Cub Cadet Ersatzteile halten wir ständig in unserem Lager für Sie bereit.
| BildNr | Artikel Nummer | Bezeichnung | |
| 9 | 725-05285 | HAUPTKABELBAUM | |


Qualitätsmanagement
Informieren Sie uns, wenn Sie einen Fehler gefunden haben.

