Cub Cadet CC 1020 RD 13AE51CN630 (2006) Armaturenbrett 04.01.2006 Ersatzteile
Armaturenbrett 04.01.2006 13AE51CN630 (2006)

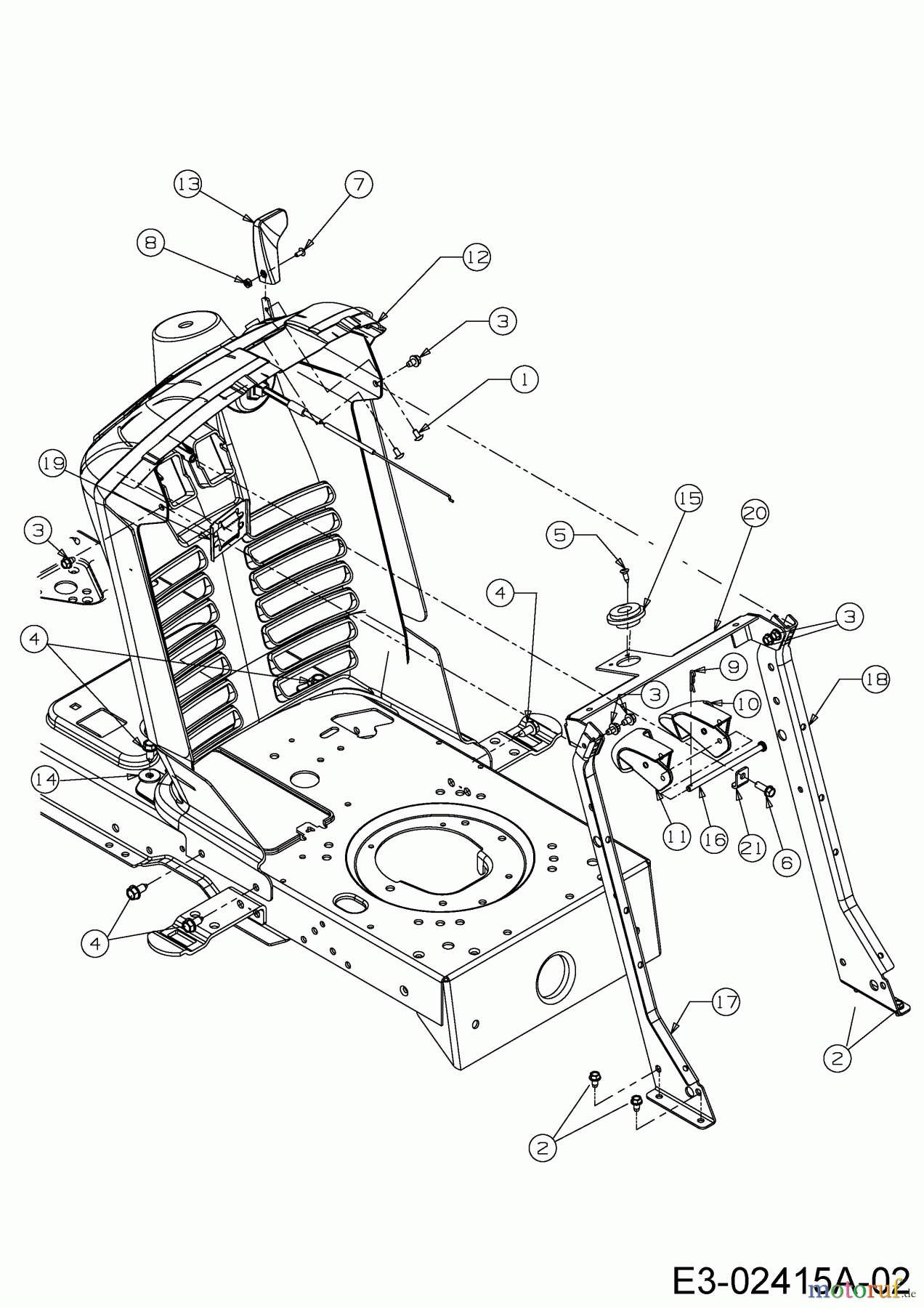
Hier finden Sie die Ersatzteilzeichnung für Cub Cadet Rasentraktoren CC 1020 RD 13AE51CN630 (2006) Armaturenbrett 04.01.2006. Wählen Sie das benötigte Ersatzteil aus der Ersatzteilliste Ihres Cub Cadet Gerätes aus und bestellen Sie einfach online. Viele Cub Cadet Ersatzteile halten wir ständig in unserem Lager für Sie bereit.


Qualitätsmanagement
Informieren Sie uns, wenn Sie einen Fehler gefunden haben.






