MTD Minirider 60 SDE 13A326JC600 (2014) Verkleidungen Ersatzteile
Verkleidungen 13A326JC600 (2014)

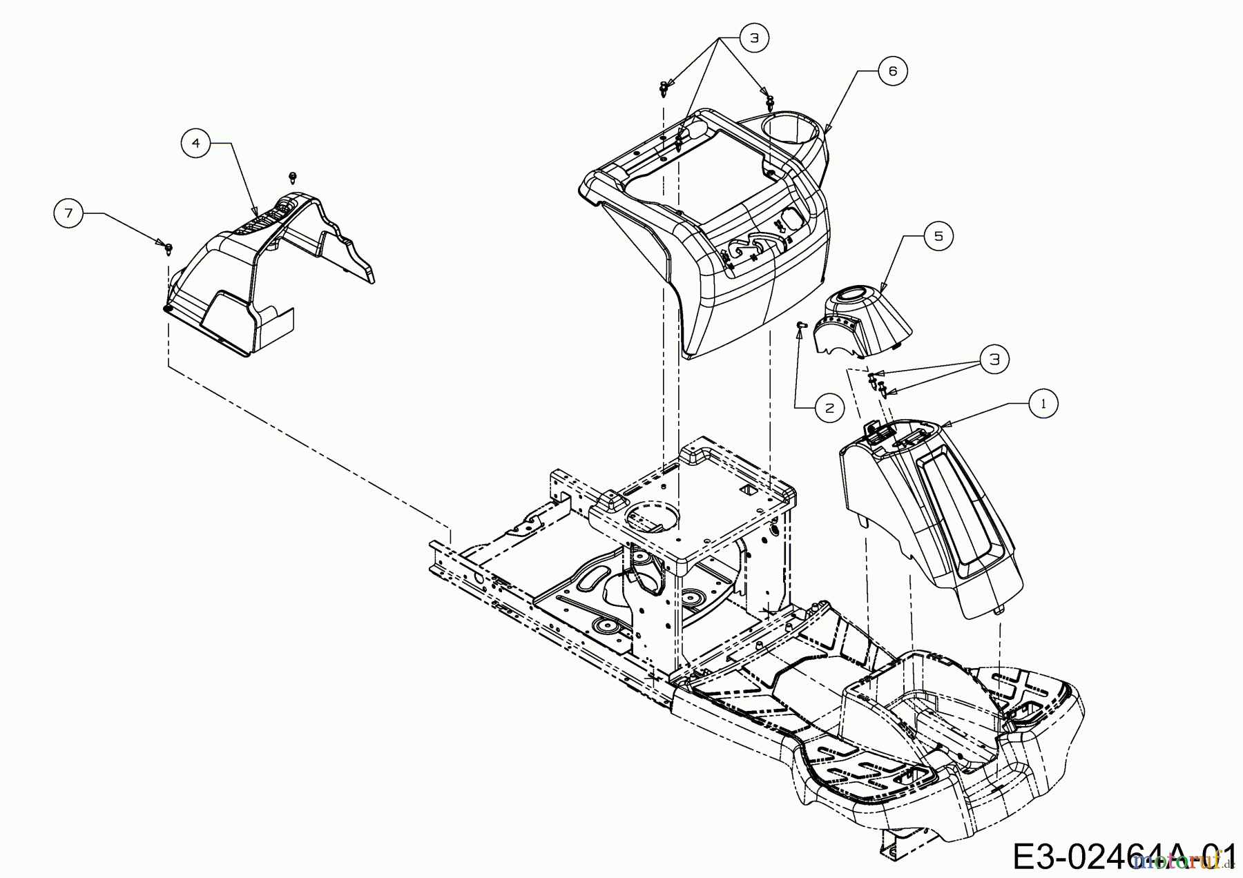
Hier finden Sie die Ersatzteilzeichnung für MTD Rasentraktoren Minirider 60 SDE 13A326JC600 (2014) Verkleidungen. Wählen Sie das benötigte Ersatzteil aus der Ersatzteilliste Ihres MTD Gerätes aus und bestellen Sie einfach online. Viele MTD Ersatzteile halten wir ständig in unserem Lager für Sie bereit.





