Gutbrod GLX 122 FH 17BT4BFY690 (2011) Schaltplan Ersatzteile
Schaltplan 17BT4BFY690 (2011)

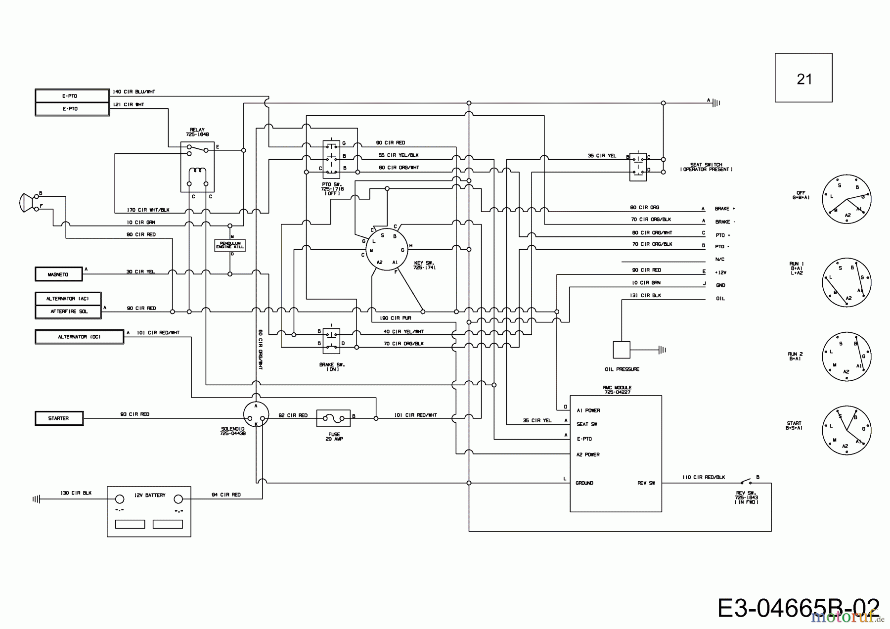
Hier finden Sie die Ersatzteilzeichnung für Gutbrod Zero Turn GLX 122 FH 17BT4BFY690 (2011) Schaltplan. Wählen Sie das benötigte Ersatzteil aus der Ersatzteilliste Ihres Gutbrod Gerätes aus und bestellen Sie einfach online. Viele Gutbrod Ersatzteile halten wir ständig in unserem Lager für Sie bereit.
| BildNr | Artikel Nummer | Bezeichnung | |
| 21 | 725-05029 | KABELBAUM:CUB:FMZ | |


Qualitätsmanagement
Informieren Sie uns, wenn Sie einen Fehler gefunden haben.

