Cub Cadet XZ3 122 17BIDGHB603 (2017) Choke- und Gaszug, Motorzubehör Ersatzteile
Choke- und Gaszug, Motorzubehör 17BIDGHB603 (2017)

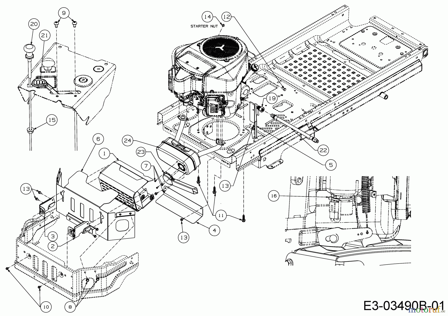
Hier finden Sie die Ersatzteilzeichnung für Cub Cadet Zero Turn XZ3 122 17BIDGHB603 (2017) Choke- und Gaszug, Motorzubehör. Wählen Sie das benötigte Ersatzteil aus der Ersatzteilliste Ihres Cub Cadet Gerätes aus und bestellen Sie einfach online. Viele Cub Cadet Ersatzteile halten wir ständig in unserem Lager für Sie bereit.









