Yard-Man AG 6145 13BP604G643 (2001) Vorderachse Ersatzteile
Vorderachse 13BP604G643 (2001)

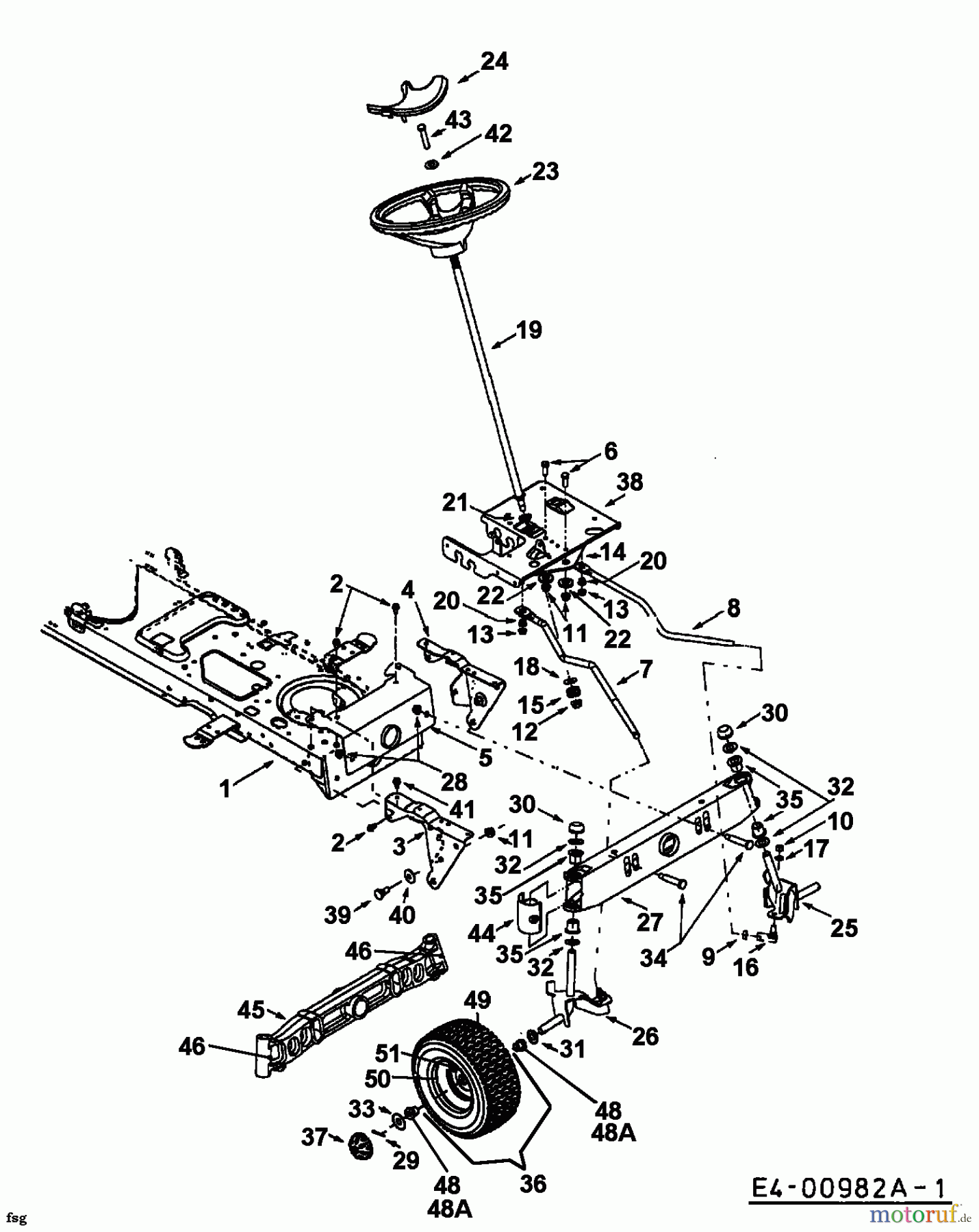
Hier finden Sie die Ersatzteilzeichnung für Yard-Man ältere Modelle Rasentraktoren AG 6145 13BP604G643 (2001) Vorderachse. Wählen Sie das benötigte Ersatzteil aus der Ersatzteilliste Ihres Yard-Man Gerätes aus und bestellen Sie einfach online. Viele Yard-Man Ersatzteile halten wir ständig in unserem Lager für Sie bereit.
































