Einstellungen Computer

Dolmar Elektro Kettensäge ES174TLC 2 Ölpumpe, Kettenbremse, TLC Ersatzteile

2 Ölpumpe, Kettenbremse, TLC ES174TLC

 Dolmar Kettensägen Elektro Kettensäge ES174TLC 2  Ölpumpe, Kettenbremse, TLC

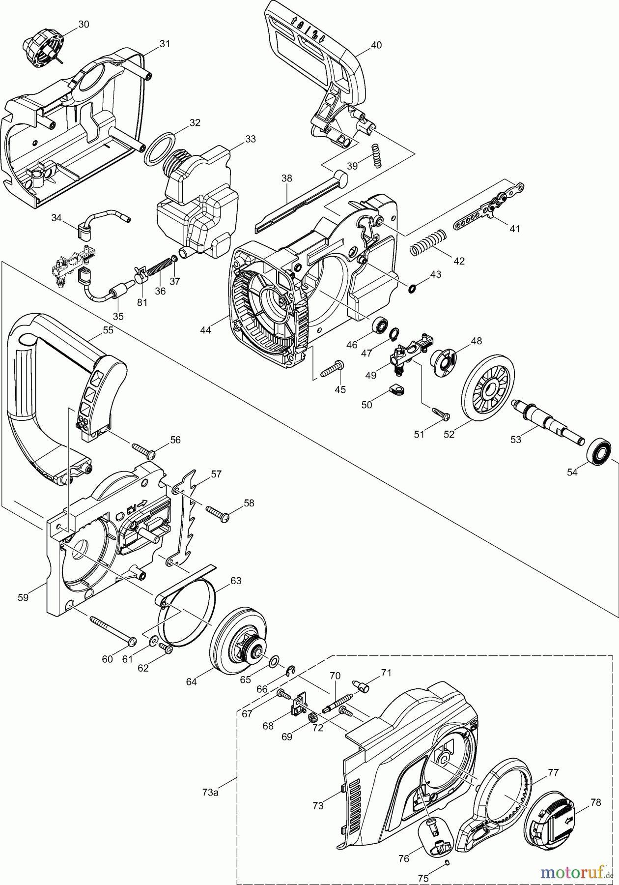
Hier finden Sie die Ersatzteilzeichnung für Dolmar Kettensägen Elektro Kettensäge ES174TLC 2 Ölpumpe, Kettenbremse, TLC. Wählen Sie das benötigte Ersatzteil aus der Ersatzteilliste Ihres Dolmar Gerätes aus und bestellen Sie einfach online. Viele Dolmar Ersatzteile halten wir ständig in unserem Lager für Sie bereit.

BildNrArtikel NummerBezeichnung
30 142282-9ÖLTANKDECKEL KPL.
31 660454822GETRIEBEDECKEL
32 226114060GEHÄUSEDICHTUNG FÜR ÖLTANK
33 454826-6ÖLTANK
34 424611-1ÖLPUMPENANSCHLUß B
35 424610-3ÖLPUMPENANSCHLUß A
36 231975-4DRUCKFEDER
37 416274-7STOPFEN
38 454825-8SCHALTSTANGE
39 660233174DRUCKFEDER 6
40 660142341HANDSCHUTZ KPL.
40 660802054HINWEISSCHILD
41 028213532BREMSBANDHALTER KPL.
42 028213210SPEICHERFEDER
43 660213017O-RING 6
44 660454821GETRIEBEGEHÄUSE
45 266041-8SCHNEIDSCHRAUBE 5X25
46 210028-2RILLENKUGELLAGER 606ZZ
46 210206-4RILLENKUGELLAGER 606ZZ
47 961006-2SICHERUNGSRING S-10
48 Dolmar SCHNECKENRAD 221427-3SCHNECKENRAD
49 142156-4ÖLPUMPE KPL.
50 424612-9GUMMITÜLLE
51 265995-6BLECHSCHRAUBE 4X18
52 227627-3SPIRALKEGELRAD 37
53 326373-6SPINDEL
54 210107-6RILLENKUGELLAGER 6001ZZ
54 210205-6RILLENKUGELLAGER 6001ZZ
55 454823-2BüGELGRIFF
56 266041-8SCHNEIDSCHRAUBE 5X25
57 226250010ZACKENLEISTE
58 266041-8SCHNEIDSCHRAUBE 5X25
59 319091-3LAGERGEHÄUSE
60 660266044SCHNEIDSCHRAUBE 5X60
61 924204320SCHEIBE 4,3X12X1,2 *522
62 266026-4BLECHSCHRAUBE PT 4X12
63 168426-3BREMSBAND
64 123886-6KUPPLUNGSTROMMEL KPL. 3/8"
65 253215-0UNTERLAGSCHEIBE 8
66 Dolmar SICHERUNGSSCHEIBE 259033-4SICHERUNGSSCHEIBE
67 266427-6SCHNEIDSCHRAUBE 4X12
68 454818-5KETTENSPANNABDECKUNG
69 Dolmar KEGELRAD 5 Z14227496-2KEGELRAD 5 Z14
70 326372-8EINSTELLSCHRAUBE
71 326310-0SPANNSTIFT
72 266427-6SCHNEIDSCHRAUBE 4X12
73 142342-7KETTENRADSCHUTZ
73a 183B54-5KETTENRADSCHUTZ KPL.
75 263002-9GUMMISTIFT 4
76 142665-3SPANNRAD KPL.
77 660454819ABDECKUNG
78 142235-8KETTENSCHNELLSPANNDECKEL
81 660324685SCHLAUCHKLEMME
Rasen
Bankeinzug, MasterCard, Visa, American Express, PayPal, Nachnahme, Vorauskasse, Sofortüberweisung
Datenschutzerklärung Impressum
Qualitätsmanagement
Informieren Sie uns, wenn Sie einen Fehler gefunden haben.