Dolmar Benzin Kettensäge PS-3300 TH 2 Motorgehäuse, Kurbelgehäuse, Zylinder, Zündung Ersatzteile
2 Motorgehäuse, Kurbelgehäuse, Zylinder, Zündung PS-3300 TH

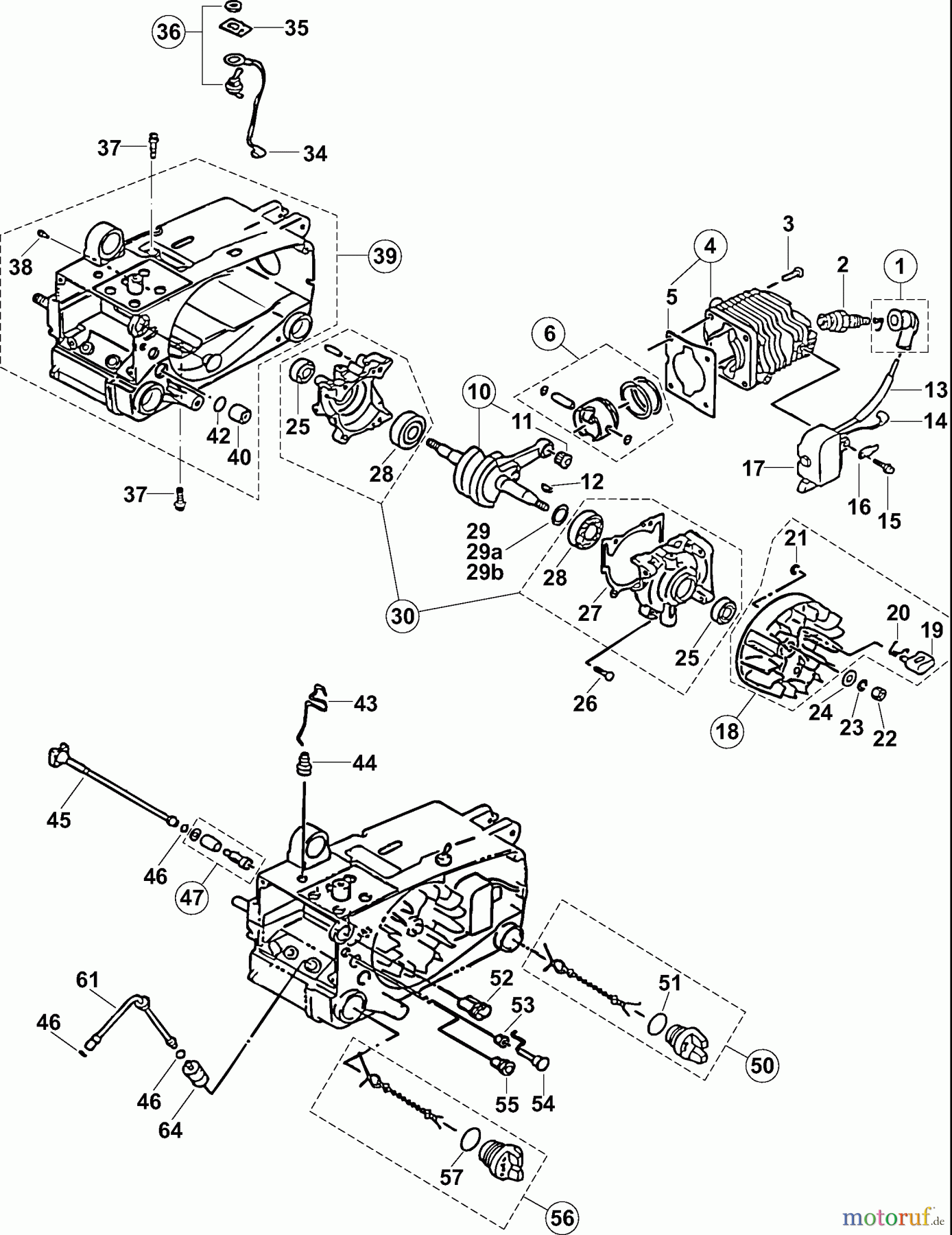
Hier finden Sie die Ersatzteilzeichnung für Dolmar Kettensägen Benzin Kettensäge PS-3300 TH 2 Motorgehäuse, Kurbelgehäuse, Zylinder, Zündung. Wählen Sie das benötigte Ersatzteil aus der Ersatzteilliste Ihres Dolmar Gerätes aus und bestellen Sie einfach online. Viele Dolmar Ersatzteile halten wir ständig in unserem Lager für Sie bereit.


Qualitätsmanagement
Informieren Sie uns, wenn Sie einen Fehler gefunden haben.


