Dolmar Akku Kettensäge AS4030 1 DUC256, AS4030 Ersatzteile
1 DUC256, AS4030 AS4030

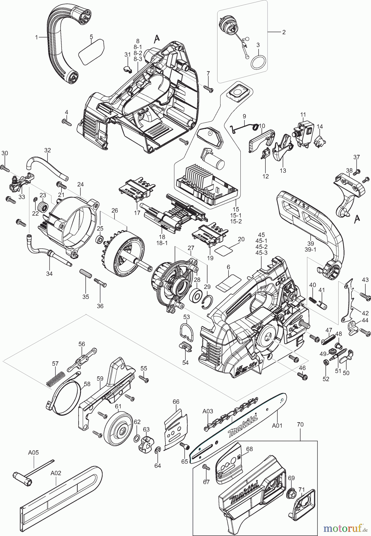
Hier finden Sie die Ersatzteilzeichnung für Dolmar Kettensägen Akku Kettensäge AS4030 1 DUC256, AS4030. Wählen Sie das benötigte Ersatzteil aus der Ersatzteilliste Ihres Dolmar Gerätes aus und bestellen Sie einfach online. Viele Dolmar Ersatzteile halten wir ständig in unserem Lager für Sie bereit.


Qualitätsmanagement
Informieren Sie uns, wenn Sie einen Fehler gefunden haben.


