Toro 58336 - 22" Tiller, 1982 (2000001-2999999) ENGINE BRIGGS & STRATTON MODEL 112202-0135-01 #3 Ersatzteile
ENGINE BRIGGS & STRATTON MODEL 112202-0135-01 #3 58336 - Toro 22" Tiller, 1982 (2000001-2999999)

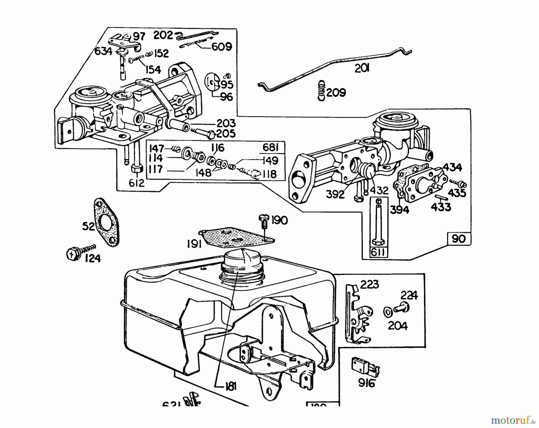
Hier finden Sie die Ersatzteilzeichnung für Toro Neu Tillers/Cultivators 58336 - Toro 22" Tiller, 1982 (2000001-2999999) ENGINE BRIGGS & STRATTON MODEL 112202-0135-01 #3. Wählen Sie das benötigte Ersatzteil aus der Ersatzteilliste Ihres Toro Gerätes aus und bestellen Sie einfach online. Viele Toro Ersatzteile halten wir ständig in unserem Lager für Sie bereit.
| BildNr | Artikel Nummer | Bezeichnung | |
| 52 | BS394732 | DICHTUNG | |
| 90 | BS394828 | VERGASER | |
| 95 | BS93499 | ||
| 96 | BS211203 | DROSSELKLAPPE | |
| 97 | BS297468 | ||
| 114 | BS66594 | ||
| 116 | BS65978 | ||
| 117 | BS230590 | Verweis zu Nr. BS690504 | |
| 118 | BS23433 | ||
| 124 | BS93357 | ||
| 147 | BS230591 | Verweis zu Nr. BS692134 | |
| 148 | BS22235 | SCHEIBE | |
| 149 | BS26336 | ||
| 152 | BS260575 | VERWEIS ZU | |
| 154 | BS93527 | ||
| 180 | BS394821 | VERWEIS ZU | |
| 181 | BS298425 | VERWEIS ZU | |
| 190 | BS93440 | ||
| 191 | BS27911 | ||
| 201 | BS261590 | HEBEL | |
| 202 | BS260678 | VERWEIS ZU | |
| 203 | BS394670 | REGLERWELLE | |
| 205 | BS93838 | ||
| 209 | BS260902 | FEDER | |
| 223 | BS223097 | ||
| 224 | BS93491 | ||
| 392 | BS260455 | VERWEIS ZU | |
| 394 | BS270026 | MEMBRANE 27910 | |
| 432 | BS221377 | VERWEIS ZU | |
| 433 | BS93265 | ||
| 434 | BS210959 | VERWEIS-NR. 213963 | |
| 435 | BS93141 | ||
| 609 | BS260694 | VERWEIS ZU | |
| 611 | ![]() | BS391813 | BENZINLEITUNG |
| 612 | BS296811 | VERWEIS ZU | |
| 621 | BS297472 | VERWEIS ZU | |
| 634 | BS270167 | FILZSCHEIBE | |
| 681 | BS299060 | NADELVENTILSATZ | |
| 916 | BS280321 | VERWEIS ZU | |


Qualitätsmanagement
Informieren Sie uns, wenn Sie einen Fehler gefunden haben.


