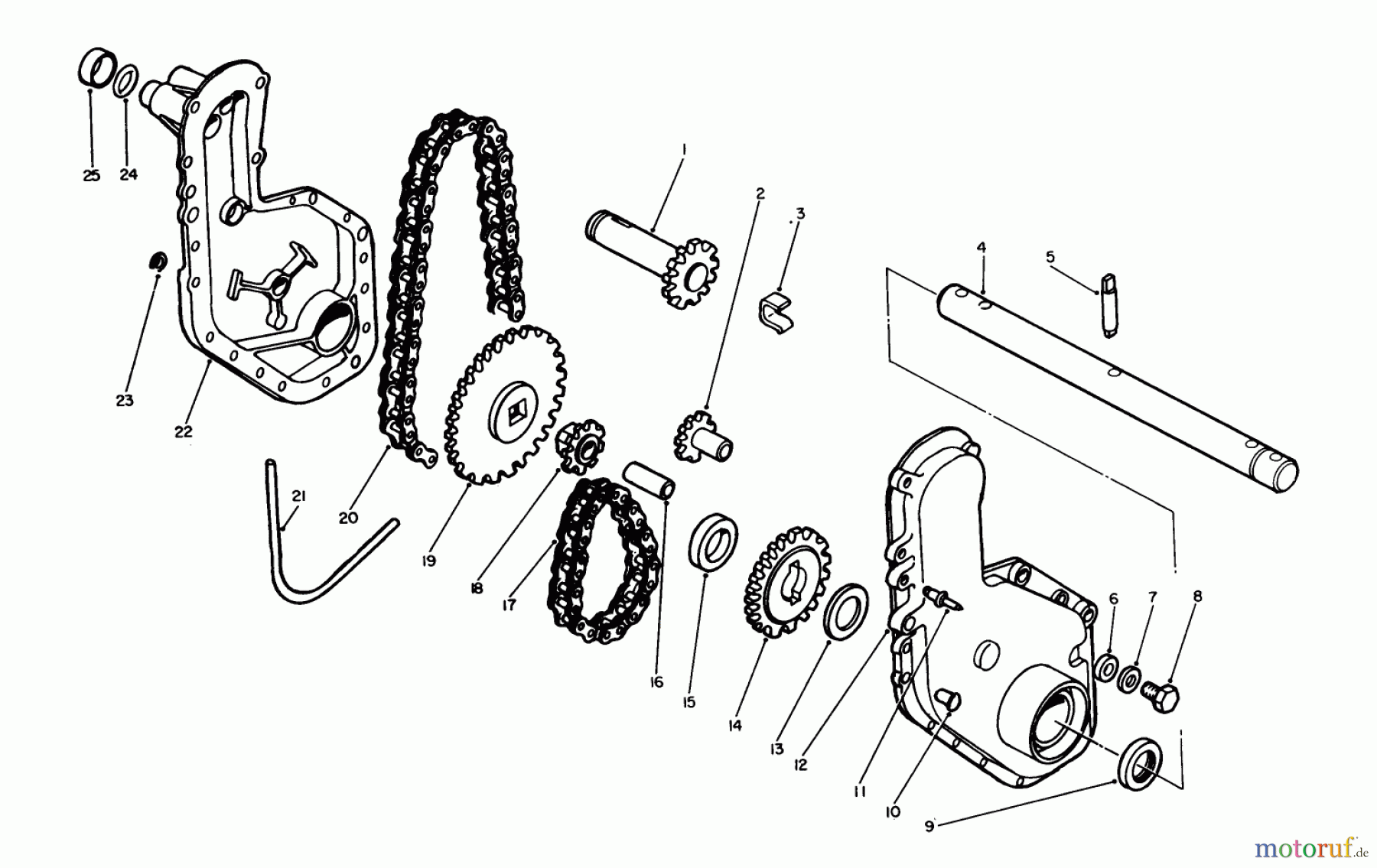
Toro 58160 - 18" Tiller, 1983 (3000001-3999999) CHAIN CASE ASSEMBLY NO. 48-1250 Ersatzteile
CHAIN CASE ASSEMBLY NO. 48-1250 58160 - Toro 18" Tiller, 1983 (3000001-3999999)

Hier finden Sie die Ersatzteilzeichnung für Toro Neu Tillers/Cultivators 58160 - Toro 18" Tiller, 1983 (3000001-3999999) CHAIN CASE ASSEMBLY NO. 48-1250. Wählen Sie das benötigte Ersatzteil aus der Ersatzteilliste Ihres Toro Gerätes aus und bestellen Sie einfach online. Viele Toro Ersatzteile halten wir ständig in unserem Lager für Sie bereit.


Qualitätsmanagement
Informieren Sie uns, wenn Sie einen Fehler gefunden haben.

