Toro 38632 (828 LE) - Power Max 828 LE Snowthrower, 2004 (240000001-240999999) 120 VOLT ELECTRIC STARTER MOTOR ASSEMBLY NO. 33329E TECUMSEH HMSK-80 155672X Ersatzteile
120 VOLT ELECTRIC STARTER MOTOR ASSEMBLY NO. 33329E TECUMSEH HMSK-80 155672X 38632 (828 LE) - Toro Power Max 828 LE Snowthrower, 2004 (240000001-240999999)

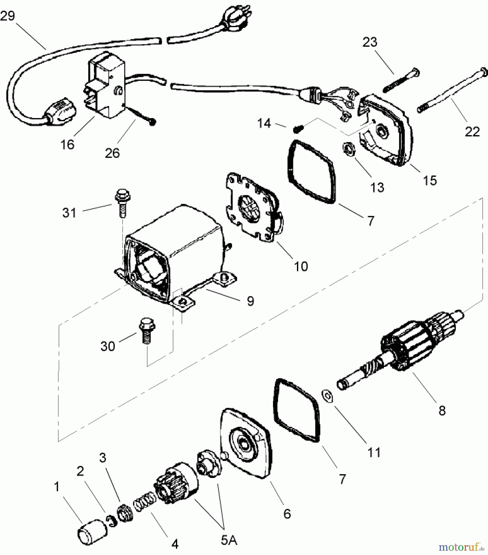
Hier finden Sie die Ersatzteilzeichnung für Toro Neu Snow Blowers/Snow Throwers Seite 2 38632 (828 LE) - Toro Power Max 828 LE Snowthrower, 2004 (240000001-240999999) 120 VOLT ELECTRIC STARTER MOTOR ASSEMBLY NO. 33329E TECUMSEH HMSK-80 155672X. Wählen Sie das benötigte Ersatzteil aus der Ersatzteilliste Ihres Toro Gerätes aus und bestellen Sie einfach online. Viele Toro Ersatzteile halten wir ständig in unserem Lager für Sie bereit.
| BildNr | Artikel Nummer | Bezeichnung | |
| 1 | TC33451 | DECKEL / KAPPE | |
| 2 | TC33842 | SICHERUNGSRING | |
| 3 | TC37606 | RETAINER | |
| 4 | TC33431 | FEDER | |
| 5A | TC37050 | ZAHNRADSATZ | |
| 6 | TC35449 | END CAP | |
| 7 | TC35450 | O-RING | |
| 8 | TC35915 | ARMATUR | |
| 9 | TC33329F | STARTER KIT | |
| 10 | TC35452A | BUERSTENHALTER | |
| 11 | TC35911 | SCHEIBE | |
| 13 | TC590500 | WASHER | |
| 14 | TC33441 | SCHRAUBE | |
| 15 | TC35453 | END CAP | |
| 16 | TC35454 | SCHALTER | |
| 22 | TC35455 | SCHRAUBE | |
| 23 | TC35456 | SCHRAUBE | |
| 26 | TC651032 | SCHRAUBE | |
| 29 | TC32450B | ELEKTRO-LEITUNG | |
| 30 | TC30063 | SCHRAUBE | |
| 31 | TC650820 | SCHRAUBE | |


Qualitätsmanagement
Informieren Sie uns, wenn Sie einen Fehler gefunden haben.

