Toro 38195 - CCR 1000 Snowthrower, 1994 (49000001-49999999) ENGINE TECUMSEH MODEL NO. HSK600-1681S (MODEL NO. 38196) Ersatzteile
ENGINE TECUMSEH MODEL NO. HSK600-1681S (MODEL NO. 38196) 38195 - Toro CCR 1000 Snowthrower, 1994 (49000001-49999999)

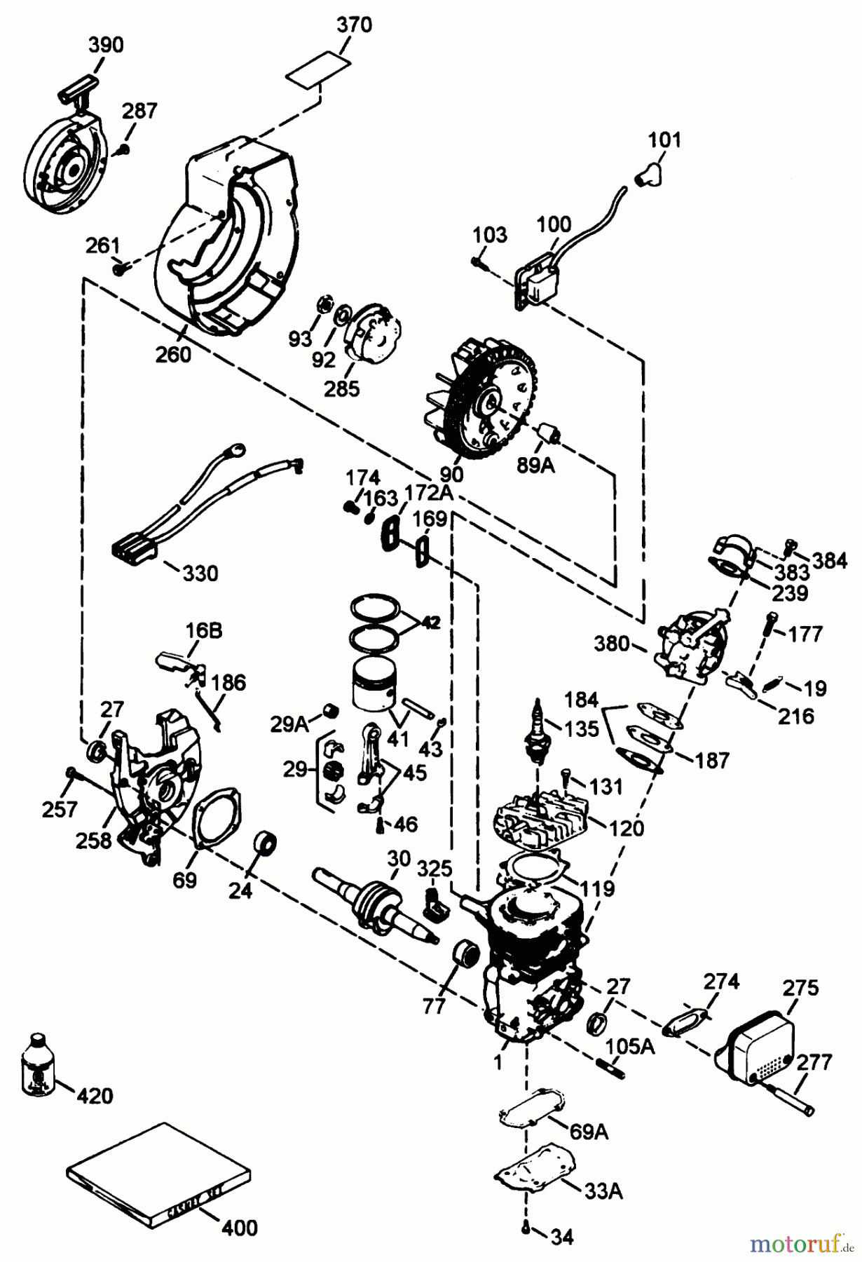
Hier finden Sie die Ersatzteilzeichnung für Toro Neu Snow Blowers/Snow Throwers Seite 1 38195 - Toro CCR 1000 Snowthrower, 1994 (49000001-49999999) ENGINE TECUMSEH MODEL NO. HSK600-1681S (MODEL NO. 38196). Wählen Sie das benötigte Ersatzteil aus der Ersatzteilliste Ihres Toro Gerätes aus und bestellen Sie einfach online. Viele Toro Ersatzteile halten wir ständig in unserem Lager für Sie bereit.


Qualitätsmanagement
Informieren Sie uns, wenn Sie einen Fehler gefunden haben.

