Einstellungen Computer

Toro 38160 (1132) - 1132 Snowthrower, 1980 (0000001-0999999) ENGINE ASSEMBLY (MODEL 38150) Ersatzteile

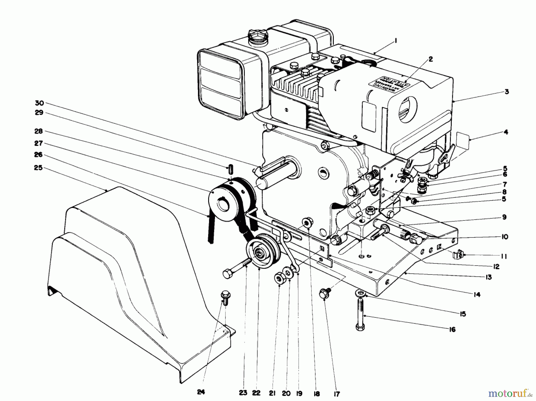
ENGINE ASSEMBLY (MODEL 38150) 38160 (1132) - Toro 1132 Snowthrower, 1980 (0000001-0999999)

 Toro Neu Snow Blowers/Snow Throwers Seite 1 38160 (1132) - Toro 1132 Snowthrower, 1980 (0000001-0999999) ENGINE ASSEMBLY (MODEL 38150)

Hier finden Sie die Ersatzteilzeichnung für Toro Neu Snow Blowers/Snow Throwers Seite 1 38160 (1132) - Toro 1132 Snowthrower, 1980 (0000001-0999999) ENGINE ASSEMBLY (MODEL 38150). Wählen Sie das benötigte Ersatzteil aus der Ersatzteilliste Ihres Toro Gerätes aus und bestellen Sie einfach online. Viele Toro Ersatzteile halten wir ständig in unserem Lager für Sie bereit.

Rasen
Bankeinzug, MasterCard, Visa, American Express, PayPal, Nachnahme, Vorauskasse, Sofortüberweisung
Datenschutzerklärung Impressum
Qualitätsmanagement
Informieren Sie uns, wenn Sie einen Fehler gefunden haben.