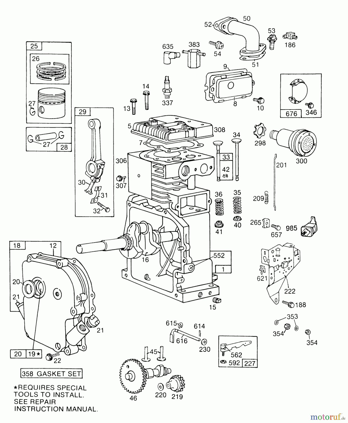
Toro 38150 (826) - 826 Snowthrower, 1986 (6000001-6999999) ENGINE BRIGGS & STRATTON MODEL NO. 190406-2999-01 #1 Ersatzteile
ENGINE BRIGGS & STRATTON MODEL NO. 190406-2999-01 #1 38150 (826) - Toro 826 Snowthrower, 1986 (6000001-6999999)

Hier finden Sie die Ersatzteilzeichnung für Toro Neu Snow Blowers/Snow Throwers Seite 1 38150 (826) - Toro 826 Snowthrower, 1986 (6000001-6999999) ENGINE BRIGGS & STRATTON MODEL NO. 190406-2999-01 #1. Wählen Sie das benötigte Ersatzteil aus der Ersatzteilliste Ihres Toro Gerätes aus und bestellen Sie einfach online. Viele Toro Ersatzteile halten wir ständig in unserem Lager für Sie bereit.


Qualitätsmanagement
Informieren Sie uns, wenn Sie einen Fehler gefunden haben.

