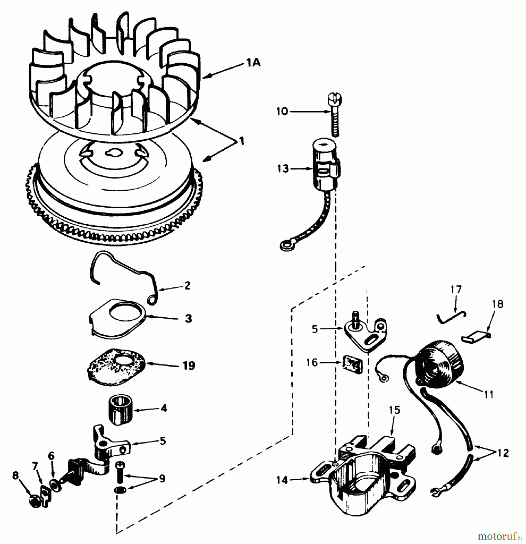
Toro 38040 (524) - 524 Snowthrower, 1984 (4000001-4999999) MAGNETO NO. 610694A (5 AND 7 H.P. SNOWTHROWER MODEL NOS. 38040 AND 38050) Ersatzteile
MAGNETO NO. 610694A (5 AND 7 H.P. SNOWTHROWER MODEL NOS. 38040 AND 38050) 38040 (524) - Toro 524 Snowthrower, 1984 (4000001-4999999)

Hier finden Sie die Ersatzteilzeichnung für Toro Neu Snow Blowers/Snow Throwers Seite 1 38040 (524) - Toro 524 Snowthrower, 1984 (4000001-4999999) MAGNETO NO. 610694A (5 AND 7 H.P. SNOWTHROWER MODEL NOS. 38040 AND 38050). Wählen Sie das benötigte Ersatzteil aus der Ersatzteilliste Ihres Toro Gerätes aus und bestellen Sie einfach online. Viele Toro Ersatzteile halten wir ständig in unserem Lager für Sie bereit.


Qualitätsmanagement
Informieren Sie uns, wenn Sie einen Fehler gefunden haben.

