Toro 38035 (3521) - 3521 Snowthrower, 1986 (6000001-6999999) ENGINE TECUMSEH MODEL H35-45598R Ersatzteile
ENGINE TECUMSEH MODEL H35-45598R 38035 (3521) - Toro 3521 Snowthrower, 1986 (6000001-6999999)

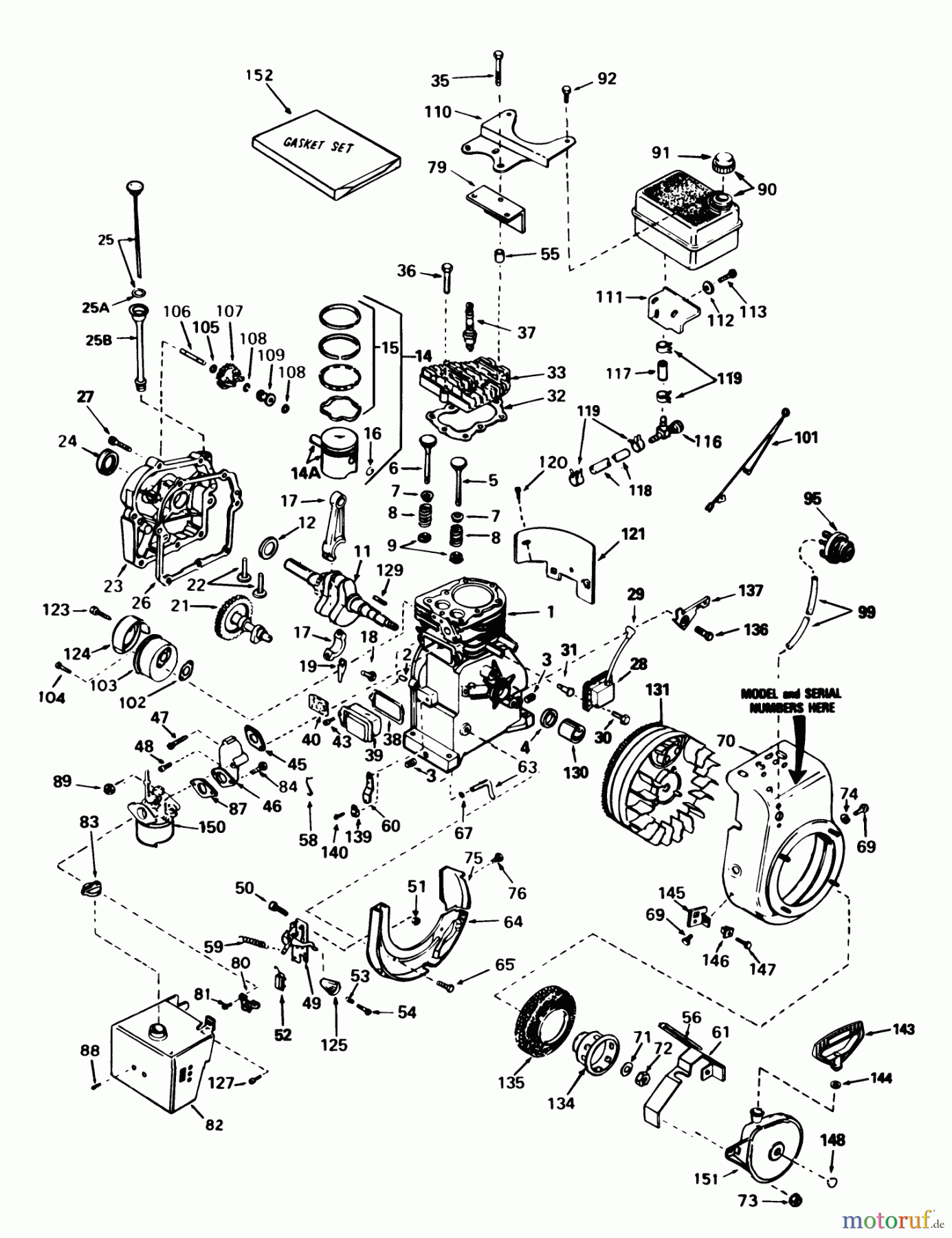
Hier finden Sie die Ersatzteilzeichnung für Toro Neu Snow Blowers/Snow Throwers Seite 1 38035 (3521) - Toro 3521 Snowthrower, 1986 (6000001-6999999) ENGINE TECUMSEH MODEL H35-45598R. Wählen Sie das benötigte Ersatzteil aus der Ersatzteilliste Ihres Toro Gerätes aus und bestellen Sie einfach online. Viele Toro Ersatzteile halten wir ständig in unserem Lager für Sie bereit.


Qualitätsmanagement
Informieren Sie uns, wenn Sie einen Fehler gefunden haben.



