Einkaufswagen
Mein Konto

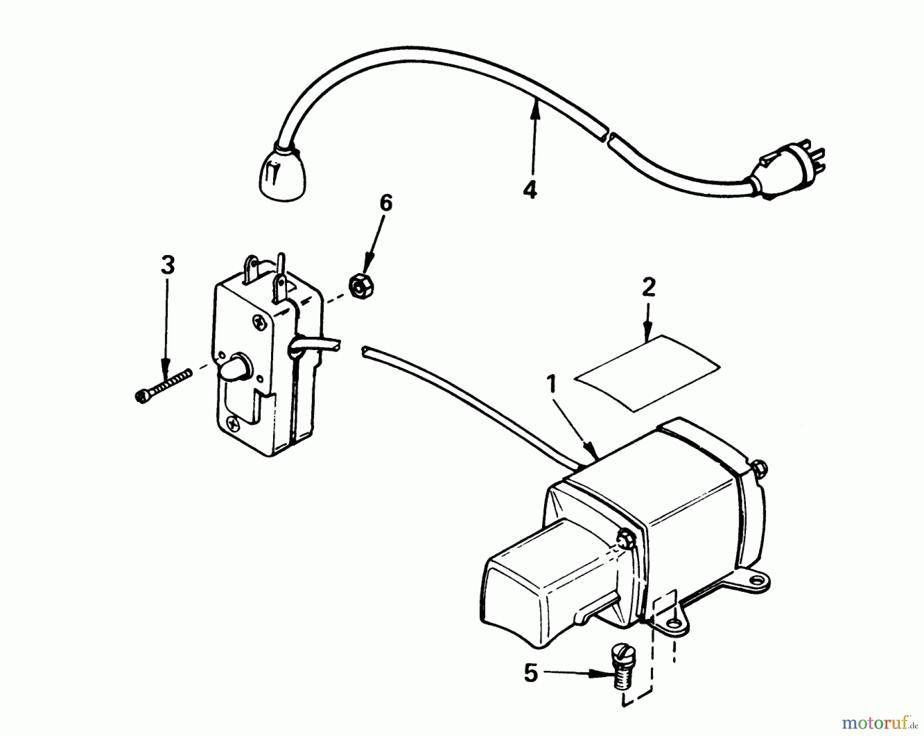
Toro 38035 (3521) - 3521 Snowthrower, 1985 (5000001-5999999) STARTER MOTOR KIT MODEL 23-3790 (OPTIONAL) Ersatzteile

STARTER MOTOR KIT MODEL 23-3790 (OPTIONAL) 38035 (3521) - Toro 3521 Snowthrower, 1985 (5000001-5999999)

 Toro Neu Snow Blowers/Snow Throwers Seite 1 38035 (3521) - Toro 3521 Snowthrower, 1985 (5000001-5999999) STARTER MOTOR KIT MODEL 23-3790 (OPTIONAL)

Hier finden Sie die Ersatzteilzeichnung für Toro Neu Snow Blowers/Snow Throwers Seite 1 38035 (3521) - Toro 3521 Snowthrower, 1985 (5000001-5999999) STARTER MOTOR KIT MODEL 23-3790 (OPTIONAL). Wählen Sie das benötigte Ersatzteil aus der Ersatzteilliste Ihres Toro Gerätes aus und bestellen Sie einfach online. Viele Toro Ersatzteile halten wir ständig in unserem Lager für Sie bereit.

Rasen
Bankeinzug, MasterCard, Visa, American Express, PayPal, Nachnahme, Vorauskasse, Sofortüberweisung
Qualitätsmanagement
Informieren Sie uns, wenn Sie einen Fehler gefunden haben.