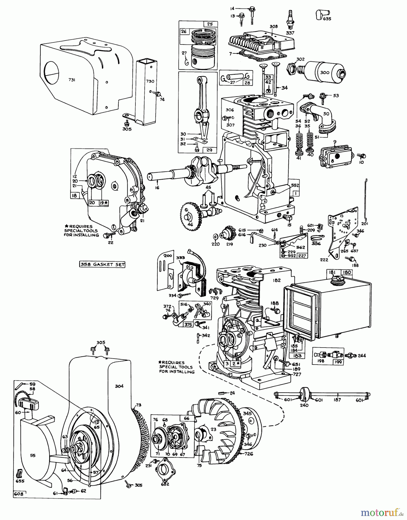
Toro 31727 (726) - 726 Snowthrower, 1971 (1000001-1999999) 7 HP ENGINE NO. 170402, TYPE 0720-01 (CONT-D.) SNOWTHROWER MODEL NO. 31727 Ersatzteile
7 HP ENGINE NO. 170402, TYPE 0720-01 (CONT-D.) SNOWTHROWER MODEL NO. 31727 31727 (726) - Toro 726 Snowthrower, 1971 (1000001-1999999)

Hier finden Sie die Ersatzteilzeichnung für Toro Neu Snow Blowers/Snow Throwers Seite 1 31727 (726) - Toro 726 Snowthrower, 1971 (1000001-1999999) 7 HP ENGINE NO. 170402, TYPE 0720-01 (CONT-D.) SNOWTHROWER MODEL NO. 31727. Wählen Sie das benötigte Ersatzteil aus der Ersatzteilliste Ihres Toro Gerätes aus und bestellen Sie einfach online. Viele Toro Ersatzteile halten wir ständig in unserem Lager für Sie bereit.


Qualitätsmanagement
Informieren Sie uns, wenn Sie einen Fehler gefunden haben.


