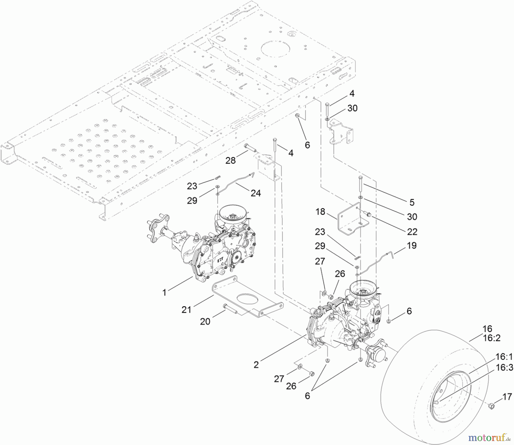
Toro 74621 (3200) - TimeCutter SS 3200 Riding Mower, 2012 (SN 312000001-312999999) HYDRO TRANSAXLE ASSEMBLY Ersatzteile
HYDRO TRANSAXLE ASSEMBLY 74621 (3200) - Toro TimeCutter SS 3200 Riding Mower, 2012 (SN 312000001-312999999)

Hier finden Sie die Ersatzteilzeichnung für Toro Neu Mowers, Zero-Turn 74621 (3200) - Toro TimeCutter SS 3200 Riding Mower, 2012 (SN 312000001-312999999) HYDRO TRANSAXLE ASSEMBLY. Wählen Sie das benötigte Ersatzteil aus der Ersatzteilliste Ihres Toro Gerätes aus und bestellen Sie einfach online. Viele Toro Ersatzteile halten wir ständig in unserem Lager für Sie bereit.


Qualitätsmanagement
Informieren Sie uns, wenn Sie einen Fehler gefunden haben.

