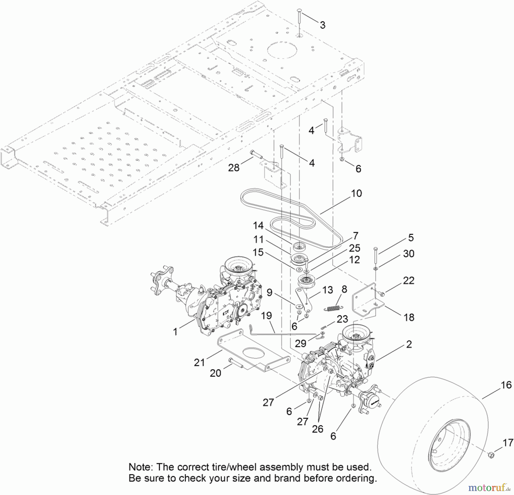
Toro 74386 (ZS 4200) - TimeCutter ZS 4200 Riding Mower, 2011 (311000001-311999999) HYDRO TRANSAXLE DRIVE AND REAR WHEEL ASSEMBLY Ersatzteile
HYDRO TRANSAXLE DRIVE AND REAR WHEEL ASSEMBLY 74386 (ZS 4200) - Toro TimeCutter ZS 4200 Riding Mower, 2011 (311000001-311999999)

Hier finden Sie die Ersatzteilzeichnung für Toro Neu Mowers, Zero-Turn 74386 (ZS 4200) - Toro TimeCutter ZS 4200 Riding Mower, 2011 (311000001-311999999) HYDRO TRANSAXLE DRIVE AND REAR WHEEL ASSEMBLY. Wählen Sie das benötigte Ersatzteil aus der Ersatzteilliste Ihres Toro Gerätes aus und bestellen Sie einfach online. Viele Toro Ersatzteile halten wir ständig in unserem Lager für Sie bereit.



