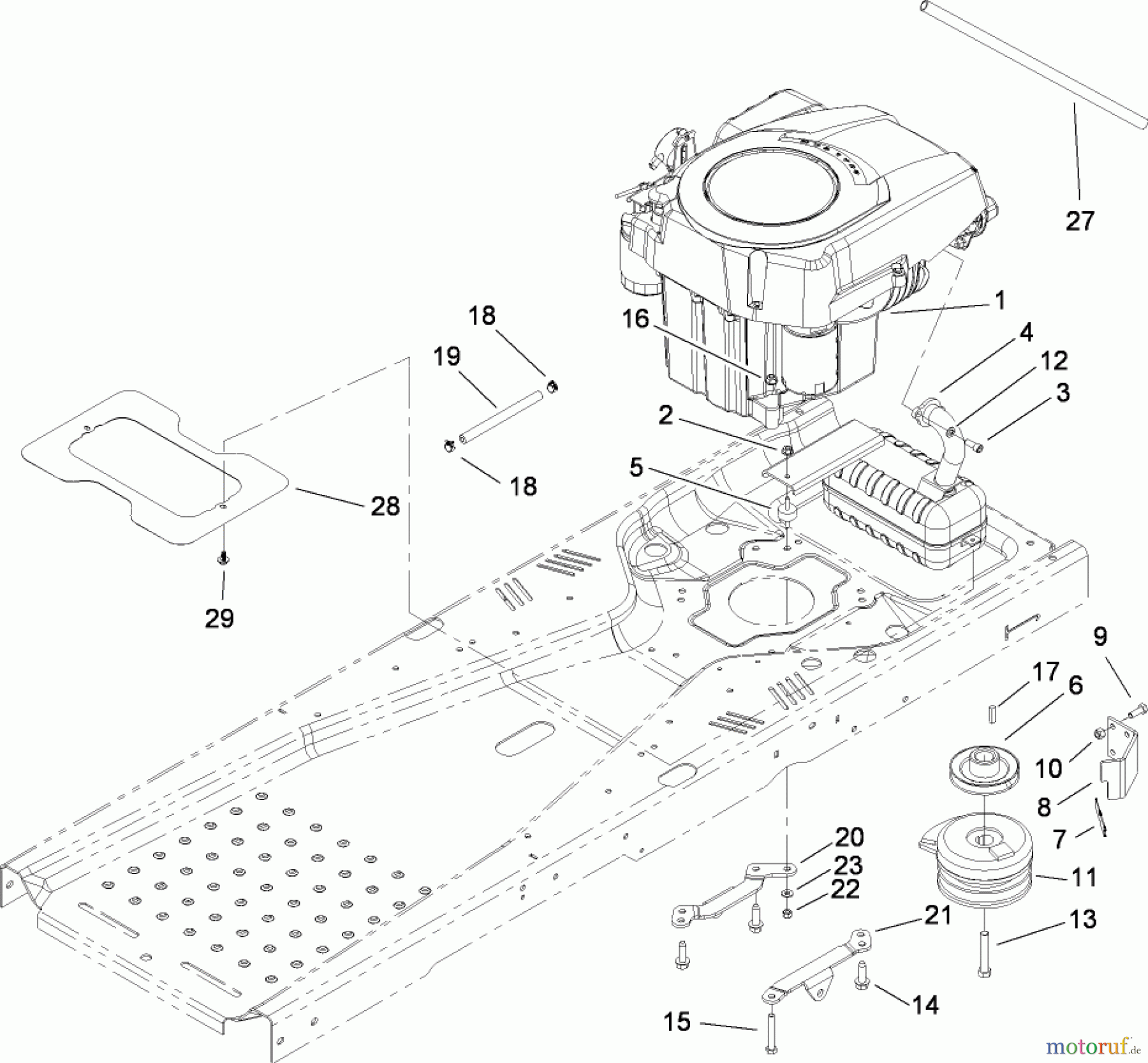
Toro 74370 (Z5000) - TimeCutter Z5000 Riding Mower, 2008 (280000001-280999999) ENGINE AND CLUTCH ASSEMBLY Ersatzteile
ENGINE AND CLUTCH ASSEMBLY 74370 (Z5000) - Toro TimeCutter Z5000 Riding Mower, 2008 (280000001-280999999)

Hier finden Sie die Ersatzteilzeichnung für Toro Neu Mowers, Zero-Turn 74370 (Z5000) - Toro TimeCutter Z5000 Riding Mower, 2008 (280000001-280999999) ENGINE AND CLUTCH ASSEMBLY. Wählen Sie das benötigte Ersatzteil aus der Ersatzteilliste Ihres Toro Gerätes aus und bestellen Sie einfach online. Viele Toro Ersatzteile halten wir ständig in unserem Lager für Sie bereit.




