Toro 74301 (Z380) - TimeCutter Z380 Riding Mower, 2005 (250000001-250999999) ENGINE ASSEMBLY Ersatzteile
ENGINE ASSEMBLY 74301 (Z380) - Toro TimeCutter Z380 Riding Mower, 2005 (250000001-250999999)

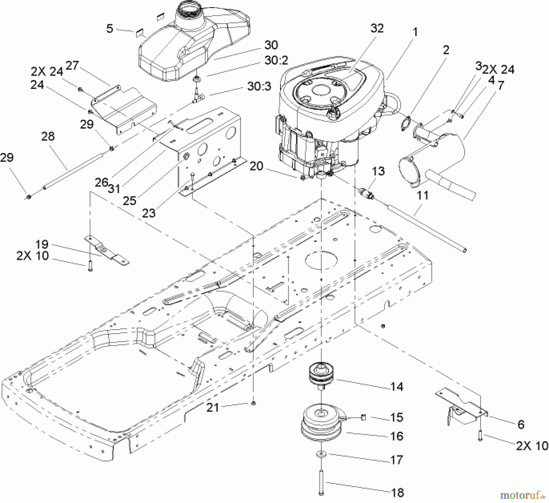
Hier finden Sie die Ersatzteilzeichnung für Toro Neu Mowers, Zero-Turn 74301 (Z380) - Toro TimeCutter Z380 Riding Mower, 2005 (250000001-250999999) ENGINE ASSEMBLY. Wählen Sie das benötigte Ersatzteil aus der Ersatzteilliste Ihres Toro Gerätes aus und bestellen Sie einfach online. Viele Toro Ersatzteile halten wir ständig in unserem Lager für Sie bereit.


Qualitätsmanagement
Informieren Sie uns, wenn Sie einen Fehler gefunden haben.


