Toro 26642 - Lawnmower, 1989 (9000001-9999999) CARBURETOR TECUMSEH NO. 632521 Ersatzteile
CARBURETOR TECUMSEH NO. 632521 26642 - Toro Lawnmower, 1989 (9000001-9999999)

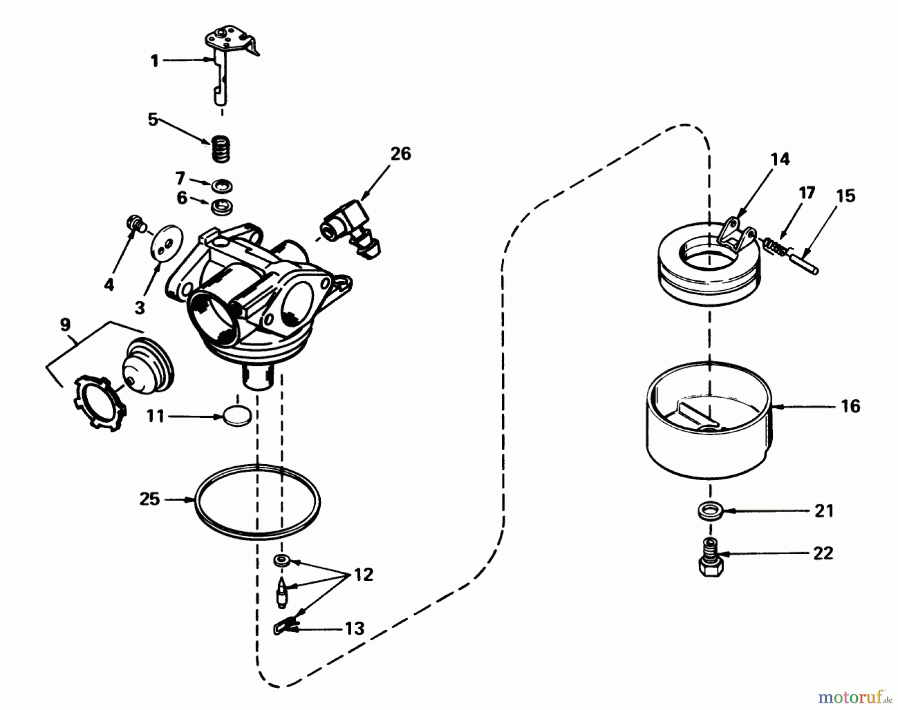
Hier finden Sie die Ersatzteilzeichnung für Toro Neu Mowers, Walk-Behind Seite 2 26642 - Toro Lawnmower, 1989 (9000001-9999999) CARBURETOR TECUMSEH NO. 632521. Wählen Sie das benötigte Ersatzteil aus der Ersatzteilliste Ihres Toro Gerätes aus und bestellen Sie einfach online. Viele Toro Ersatzteile halten wir ständig in unserem Lager für Sie bereit.
| BildNr | Artikel Nummer | Bezeichnung | |
| 1 | TC631615 | WELLE U, HEBEL | |
| 3 | TC632504 | DROSSELKLAPPE | |
| 4 | TC650506 | SCHRAUBE | |
| 5 | TC631767 | FEDER | |
| 6 | TC631183 | SCHEIBE | |
| 7 | TC631184 | WASHER | |
| 9 | TC632433A | PRIMER | |
| 11 | TC631027 | WELCH PLUG | |
| 12 | TC631021B | INLET NEEDLE | |
| 13 | TC631022 | KLEMME | |
| 14 | TC632019A | FLOAT | |
| 15 | TC631024 | FLOAT SHAFT | |
| 16 | TC631867 | SCHWIMMERGEHAEUSE | |
| 17 | TC632386 | FEDER | |
| 21 | ![]() | TC27110A | DICHTUNG |
| 22 | TC632505 | NUT | |
| 25 | TC631028A | DICHTUNG | |
| 26 | TC631807 | FUEL FITTING | |




