Toro 26640B - Lawnmower, 1993 (3900001-3999999) BLADE ASSEMBLY Ersatzteile
BLADE ASSEMBLY 26640B - Toro Lawnmower, 1993 (3900001-3999999)

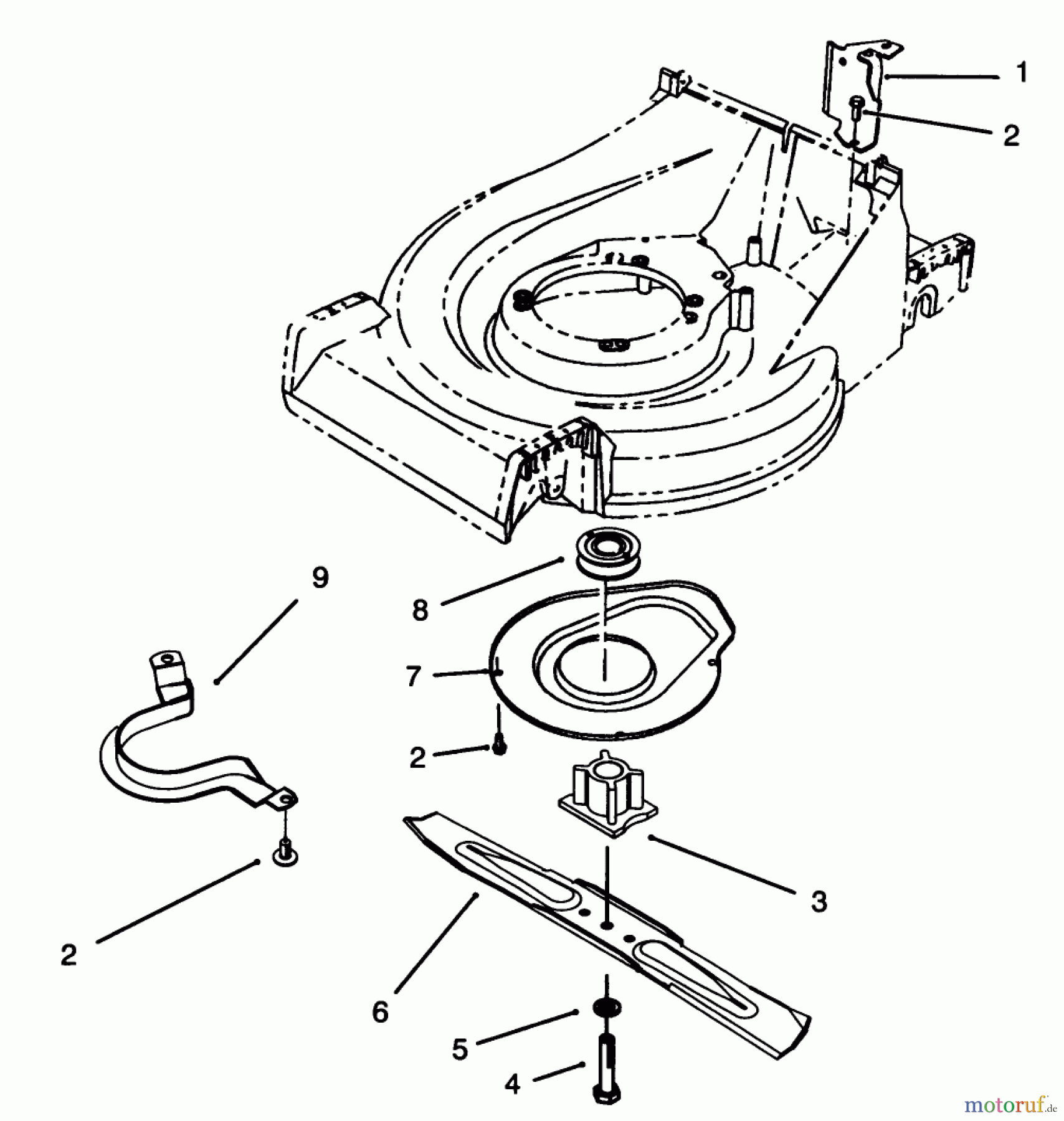
Hier finden Sie die Ersatzteilzeichnung für Toro Neu Mowers, Walk-Behind Seite 2 26640B - Toro Lawnmower, 1993 (3900001-3999999) BLADE ASSEMBLY. Wählen Sie das benötigte Ersatzteil aus der Ersatzteilliste Ihres Toro Gerätes aus und bestellen Sie einfach online. Viele Toro Ersatzteile halten wir ständig in unserem Lager für Sie bereit.
| BildNr | Artikel Nummer | Bezeichnung | |
| 1 | TR66-0030-03 | Seilfuehrung | |
| 2 | TR32144-70 | Schraube | |
| 3 | TR62-7540 | Messernabe | |
| 4 | TR26-0670 | Schraube | |
| 5 | TR3253-22 | Federring | |
| 6 | TR62-7700-03 | Messer | |
| 7 | TR65-5200-03 | Abdeckung | |
| 8 | TR62-7550 | PULLEY-DRIVE, ZONE START | |
| 9 | TR66-0570-03 | Riemenfuehrung | |


