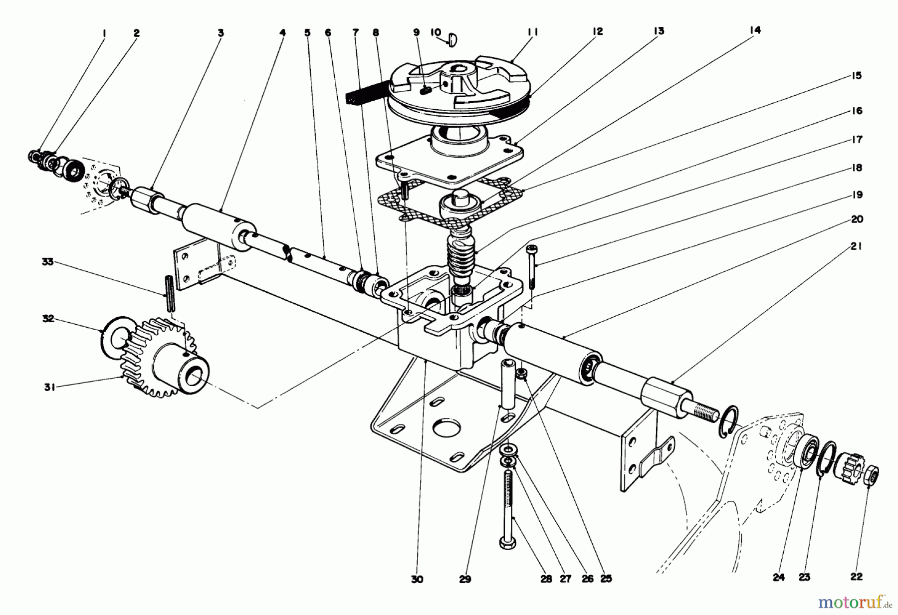
Toro 23004 - 21" Whirlwind Hevi-Duty Lawnmower, 1974 (4000001-4999999) GEAR CASE ASSEMBLY S.P. MODELS 23144 & 23123 Ersatzteile
GEAR CASE ASSEMBLY S.P. MODELS 23144 & 23123 23004 - Toro 21" Whirlwind Hevi-Duty Lawnmower, 1974 (4000001-4999999)

Hier finden Sie die Ersatzteilzeichnung für Toro Neu Mowers, Walk-Behind Seite 2 23004 - Toro 21" Whirlwind Hevi-Duty Lawnmower, 1974 (4000001-4999999) GEAR CASE ASSEMBLY S.P. MODELS 23144 & 23123. Wählen Sie das benötigte Ersatzteil aus der Ersatzteilliste Ihres Toro Gerätes aus und bestellen Sie einfach online. Viele Toro Ersatzteile halten wir ständig in unserem Lager für Sie bereit.


Qualitätsmanagement
Informieren Sie uns, wenn Sie einen Fehler gefunden haben.

