Einkaufswagen
Mein Konto

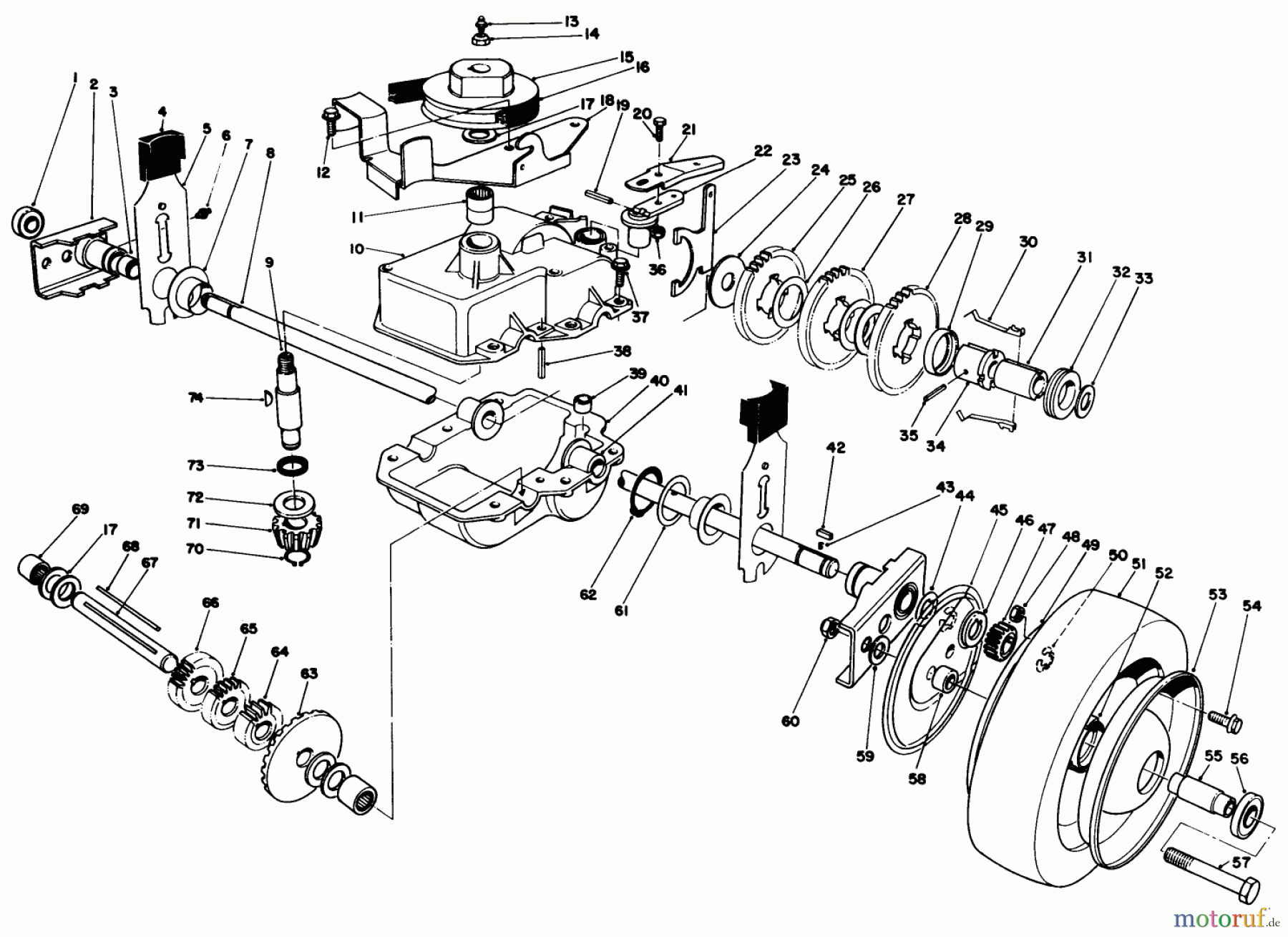
Toro 22621 - Lawnmower, 1988 (8000001-8999999) GEAR CASE ASSEMBLY Ersatzteile

GEAR CASE ASSEMBLY 22621 - Toro Lawnmower, 1988 (8000001-8999999)

 Toro Neu Mowers, Walk-Behind Seite 2 22621 - Toro Lawnmower, 1988 (8000001-8999999) GEAR CASE ASSEMBLY

Hier finden Sie die Ersatzteilzeichnung für Toro Neu Mowers, Walk-Behind Seite 2 22621 - Toro Lawnmower, 1988 (8000001-8999999) GEAR CASE ASSEMBLY. Wählen Sie das benötigte Ersatzteil aus der Ersatzteilliste Ihres Toro Gerätes aus und bestellen Sie einfach online. Viele Toro Ersatzteile halten wir ständig in unserem Lager für Sie bereit.

BildNrArtikel NummerBezeichnung
1 TR52-2450Radlager
2 TR74-1851Radaufhaengung
3 TR47-2890Buechse
4 TR25-7740Hebelknopf
5 TR66-7561Stellhebel
6 TR302-55FITTING-GREASE
7 TR48-2170Abdeckkappe
8 TR74-1890SHAFT-OUTPUT
9 TR13-5149Schneckenwelle
10 TR99-5866DISCONTINUED
11 TR47-7270Nadellager
12 TR12-3270Schraube
13 Toro SchmiernippelTR302-5Schmiernippel
14 TR3296-5Stopmutter
15 TR39-6740Keilriemenscheibe
16 TR36-8070Keilriemen
17 TR36-4790WASHER-THRUST
18 TR49-8461-03BRACKET-GUIDE, BELT
19 TR32121-99Spannhuelse
20 TR3290-134Schraube
21 TR55-8040Schalthebel
22 TR29-9560Hebel
23 TR60-8870Schaltklaue
24 TR29-9690Scheibe
25 TR42-4740Zahnrad 38 Zaehne
26 TR36-4770WASHER
27 TR29-9271Zahnrad
28 TR46-3560Zahnrad
29 TR55-8020Keilarretierung
30 TR29-9330Schiebekeil
31 TR39-6720SLEEVE
32 TR29-9340Stellring
33 Toro ScheibeTR36-4780Scheibe
34 TR55-8010Gleitbuchse
35 TR3285-19Stift
36 TR3296-2Mutter
37 TR49-2040Schraube
38 TR32121-100Spannhuelse
39 TR29-9570Buchse
40 TR48-2440GETRIEBEGEHAEUSE O.T.
41 TR48-2450Buechse
42 TR39-9680KEY RECTANGULAR
43 TR39-9650Feder
44 TR49-7700Scheibe
45 TR52-4860Radabdeckung
46 TR62-3830Scheibe
47 TR39-9160Zahnrad
48 Toro StopmutterTR3296-56Stopmutter
49 TR121-1378-06WHEEL HALF AND GEAR ASM
50 Toro RING-RETAININGTR32151-68RING-RETAINING
51 TR53-7740Reifen
52 TR52-2410Radnabe
53 TR121-1365-06RIM-HALF, WHEEL
54 TR3234-26Schraube
55 TR52-2440Radbuechse
56 TR52-2450Radlager
57 Toro SchraubeTR3231-2Schraube
58 TR52-2480Buechse
59 Toro ScheibeTR40-1940Scheibe
60 TR32152-2NUT-LOCK, CONE
61 TR36-4770WASHER
62 TR32151-36Sicherungsring
63 TR39-6670Kegelrad
64 TR46-3540Zahnrad
65 TR46-3550Zahnrad
66 TR39-6650Zahnrad
67 TR53-7950Welle
68 TR39-7842KEY
69 TR252-103Nadellager
70 TR32151-57Sicherungsring
71 TR39-6660PINION-BEVEL
72 TR47-2910Scheibe
73 TR47-7260Simmerring
74 TR3257-1Keil
TR66-7342DISCONTINUED
TR121-1379WHEEL AND TIRE ASM
Rasen
Bankeinzug, MasterCard, Visa, American Express, PayPal, Nachnahme, Vorauskasse, Sofortüberweisung
Qualitätsmanagement
Informieren Sie uns, wenn Sie einen Fehler gefunden haben.