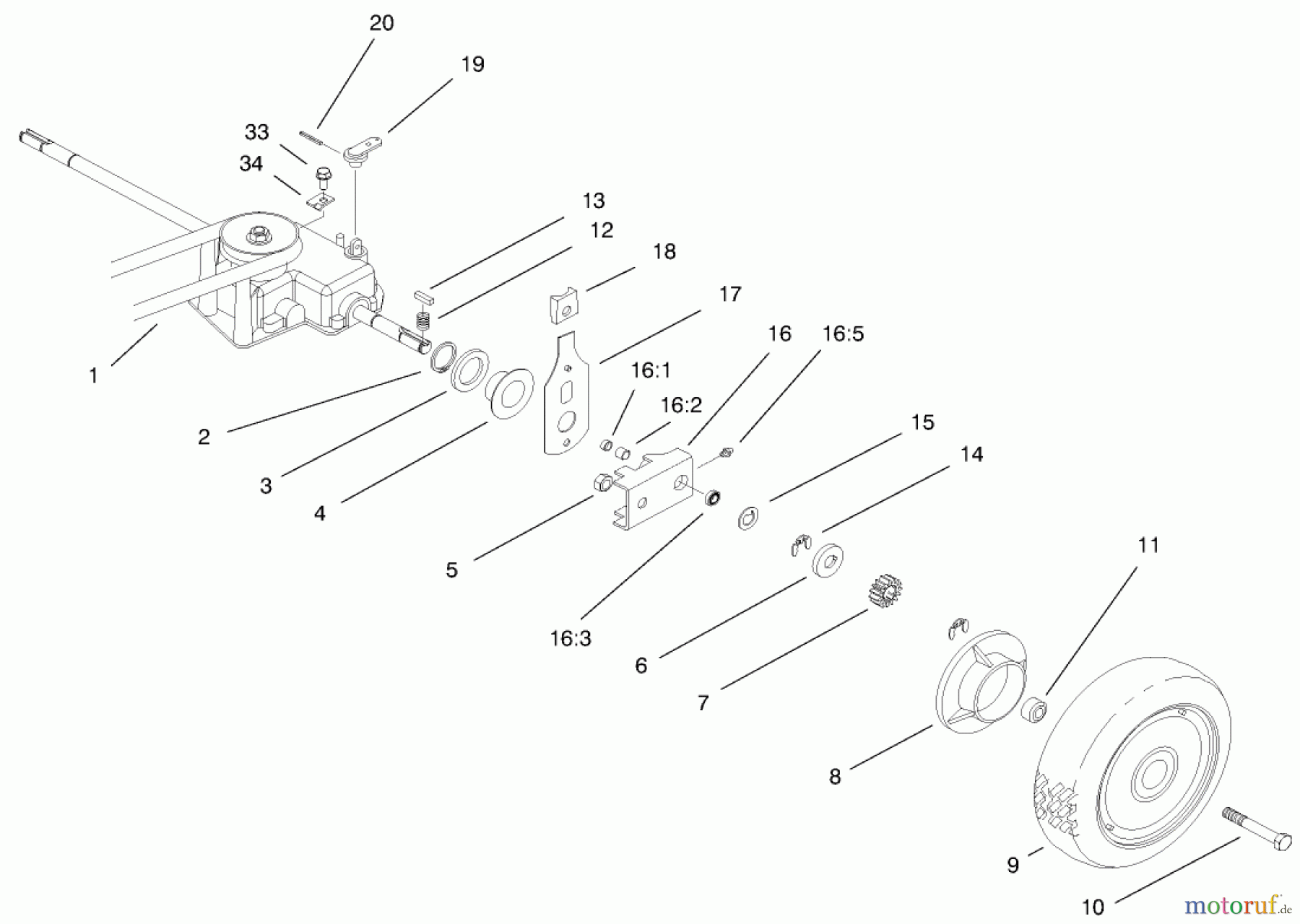
Toro 22045 - Recycler Mower, 2000 (200000001-200999999) GEAR CASE & REAR WHEEL ASSEMBLY Ersatzteile
GEAR CASE & REAR WHEEL ASSEMBLY 22045 - Toro Recycler Mower, 2000 (200000001-200999999)

Hier finden Sie die Ersatzteilzeichnung für Toro Neu Mowers, Walk-Behind Seite 2 22045 - Toro Recycler Mower, 2000 (200000001-200999999) GEAR CASE & REAR WHEEL ASSEMBLY. Wählen Sie das benötigte Ersatzteil aus der Ersatzteilliste Ihres Toro Gerätes aus und bestellen Sie einfach online. Viele Toro Ersatzteile halten wir ständig in unserem Lager für Sie bereit.






