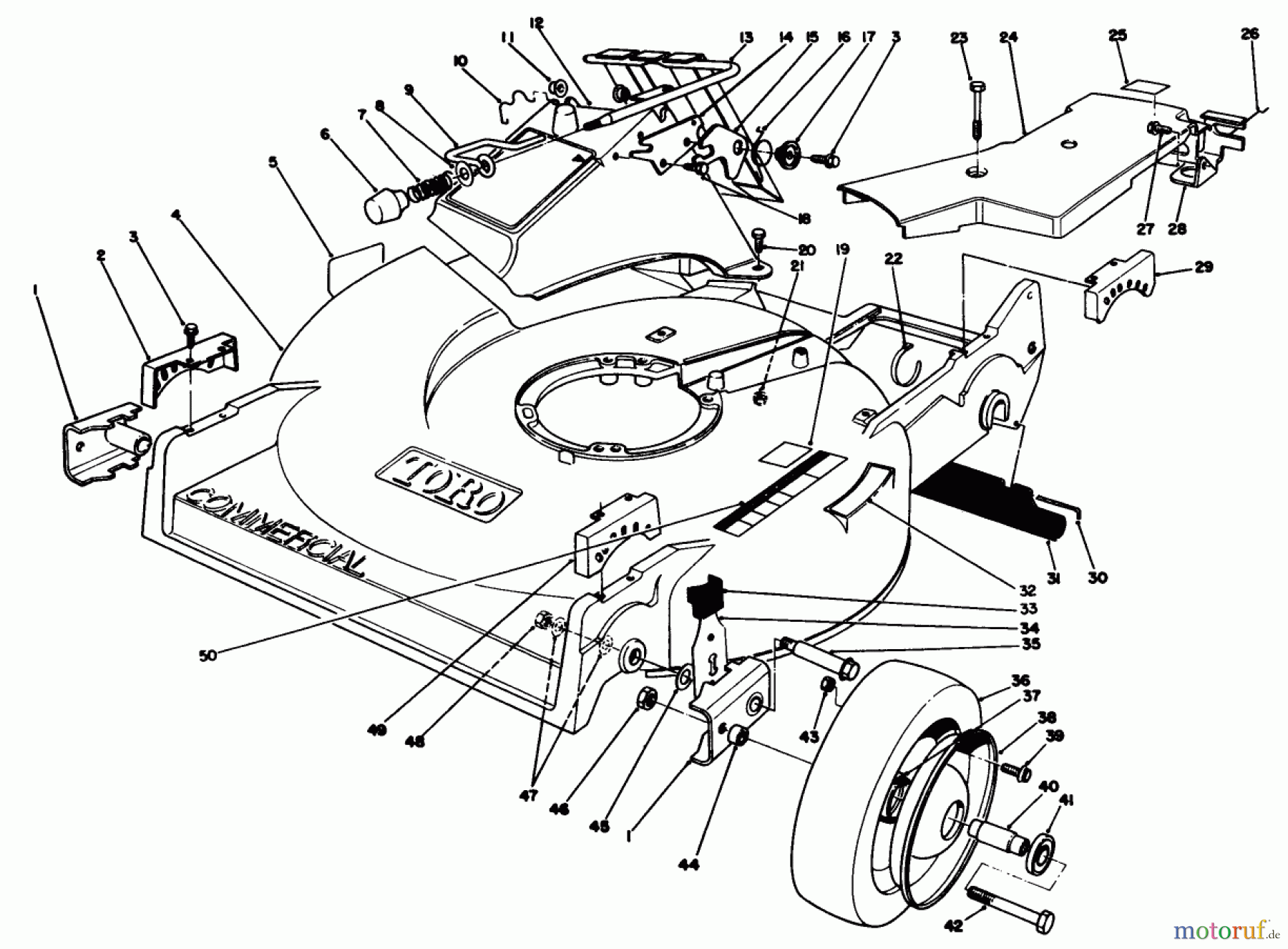
Toro 22035 - Lawnmower, 1989 (9000001-9006453) HOUSING ASSEMBLY (MODEL 22035) Ersatzteile
HOUSING ASSEMBLY (MODEL 22035) 22035 - Toro Lawnmower, 1989 (9000001-9006453)

Hier finden Sie die Ersatzteilzeichnung für Toro Neu Mowers, Walk-Behind Seite 2 22035 - Toro Lawnmower, 1989 (9000001-9006453) HOUSING ASSEMBLY (MODEL 22035). Wählen Sie das benötigte Ersatzteil aus der Ersatzteilliste Ihres Toro Gerätes aus und bestellen Sie einfach online. Viele Toro Ersatzteile halten wir ständig in unserem Lager für Sie bereit.


Qualitätsmanagement
Informieren Sie uns, wenn Sie einen Fehler gefunden haben.






