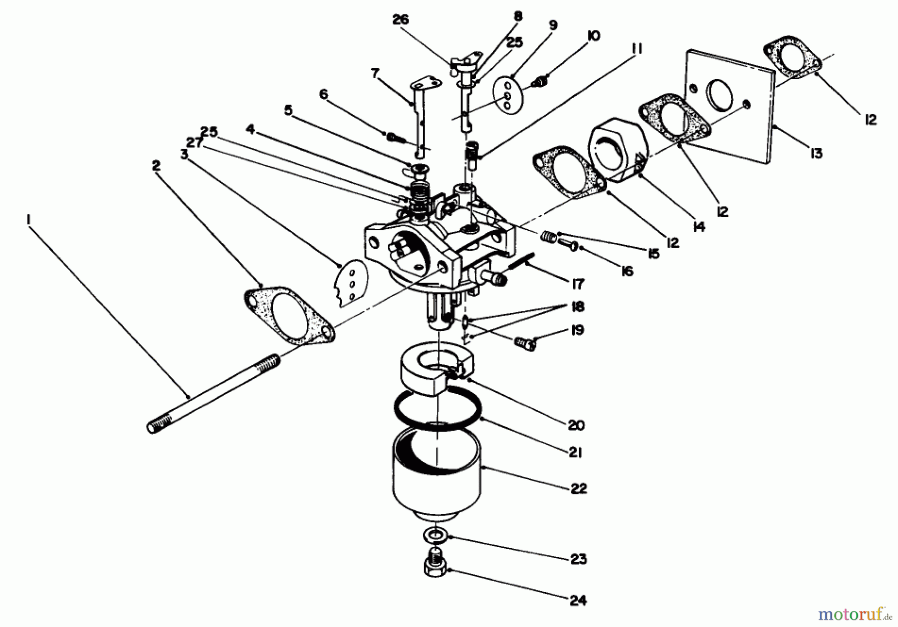
Toro 22031 - ProLine 21" Recycler Lawnmower, 1992 (2000001-2999999) CARBURETOR ASSEMBLY (MODEL NO. 47PM1-3) Ersatzteile
CARBURETOR ASSEMBLY (MODEL NO. 47PM1-3) 22031 - Toro ProLine 21" Recycler Lawnmower, 1992 (2000001-2999999)

Hier finden Sie die Ersatzteilzeichnung für Toro Neu Mowers, Walk-Behind Seite 2 22031 - Toro ProLine 21" Recycler Lawnmower, 1992 (2000001-2999999) CARBURETOR ASSEMBLY (MODEL NO. 47PM1-3). Wählen Sie das benötigte Ersatzteil aus der Ersatzteilliste Ihres Toro Gerätes aus und bestellen Sie einfach online. Viele Toro Ersatzteile halten wir ständig in unserem Lager für Sie bereit.





