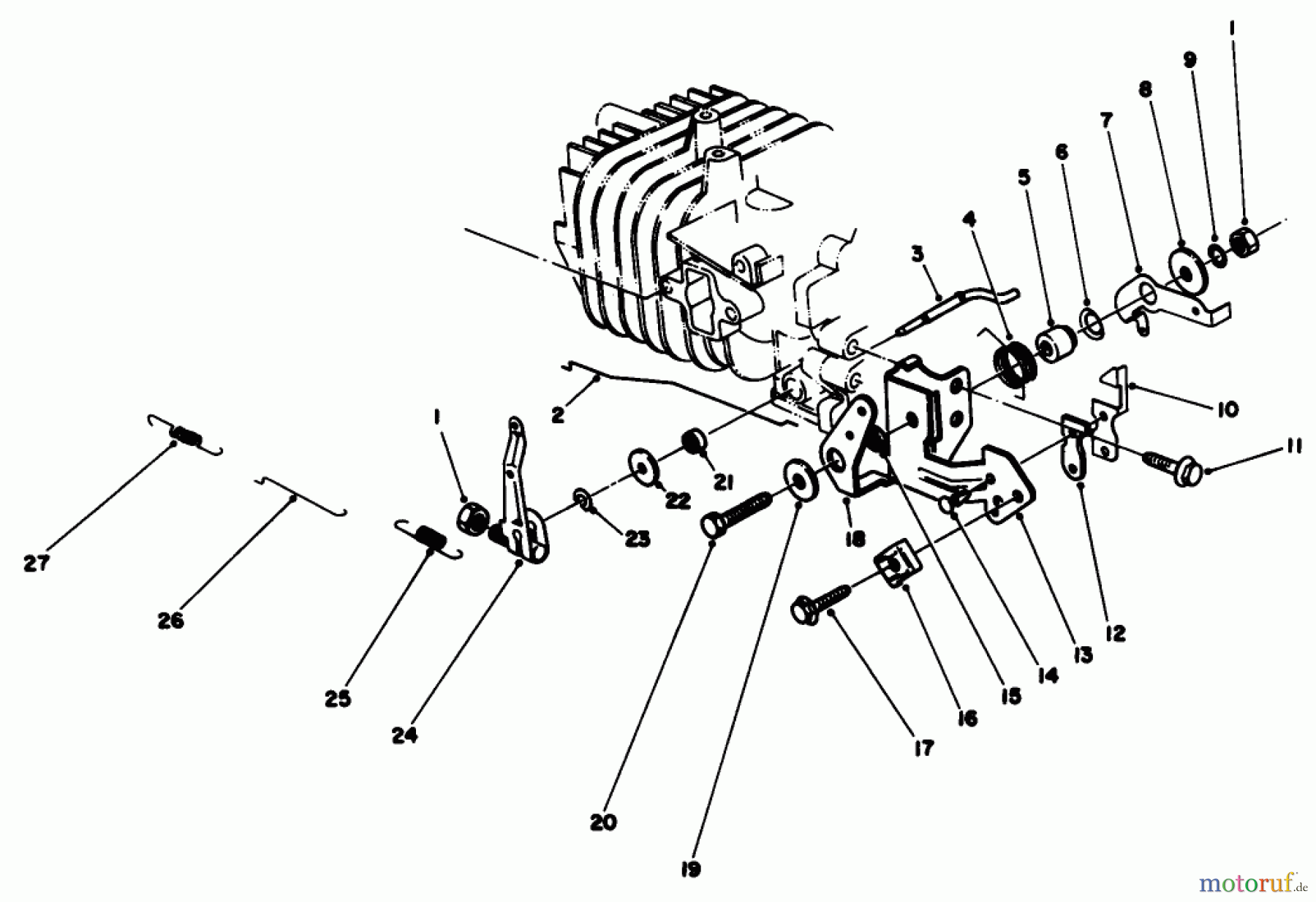
Toro 22025 - Lawnmower, 1986 (6000001-6999999) GOVERNOR ASSEMBLY (MACHINE SERIAL NO. 6003641 & UP) Ersatzteile
GOVERNOR ASSEMBLY (MACHINE SERIAL NO. 6003641 & UP) 22025 - Toro Lawnmower, 1986 (6000001-6999999)

Hier finden Sie die Ersatzteilzeichnung für Toro Neu Mowers, Walk-Behind Seite 2 22025 - Toro Lawnmower, 1986 (6000001-6999999) GOVERNOR ASSEMBLY (MACHINE SERIAL NO. 6003641 & UP). Wählen Sie das benötigte Ersatzteil aus der Ersatzteilliste Ihres Toro Gerätes aus und bestellen Sie einfach online. Viele Toro Ersatzteile halten wir ständig in unserem Lager für Sie bereit.




