Einstellungen Computer

Toro 22010 - Lawnmower, 1984 (4000001-4999999) MOWER HOUSING ASSEMBLY Ersatzteile

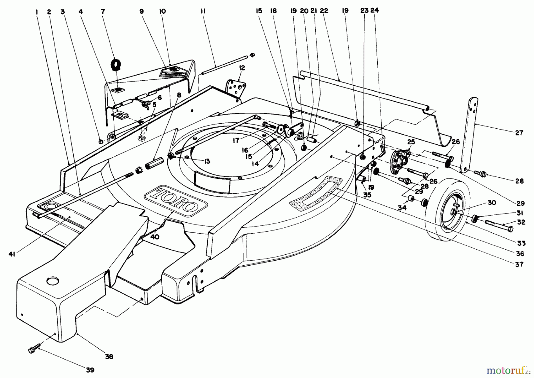
MOWER HOUSING ASSEMBLY 22010 - Toro Lawnmower, 1984 (4000001-4999999)

 Toro Neu Mowers, Walk-Behind Seite 2 22010 - Toro Lawnmower, 1984 (4000001-4999999) MOWER HOUSING ASSEMBLY

Hier finden Sie die Ersatzteilzeichnung für Toro Neu Mowers, Walk-Behind Seite 2 22010 - Toro Lawnmower, 1984 (4000001-4999999) MOWER HOUSING ASSEMBLY. Wählen Sie das benötigte Ersatzteil aus der Ersatzteilliste Ihres Toro Gerätes aus und bestellen Sie einfach online. Viele Toro Ersatzteile halten wir ständig in unserem Lager für Sie bereit.

Rasen
Bankeinzug, MasterCard, Visa, American Express, PayPal, Nachnahme, Vorauskasse, Sofortüberweisung
Datenschutzerklärung Impressum
Qualitätsmanagement
Informieren Sie uns, wenn Sie einen Fehler gefunden haben.