Toro 21500 - Guardian Lawnmower, 1976 (6000001-6999999) ENGINE TECUMSEH MODEL TNT100-10047 Ersatzteile
ENGINE TECUMSEH MODEL TNT100-10047 21500 - Toro Guardian Lawnmower, 1976 (6000001-6999999)

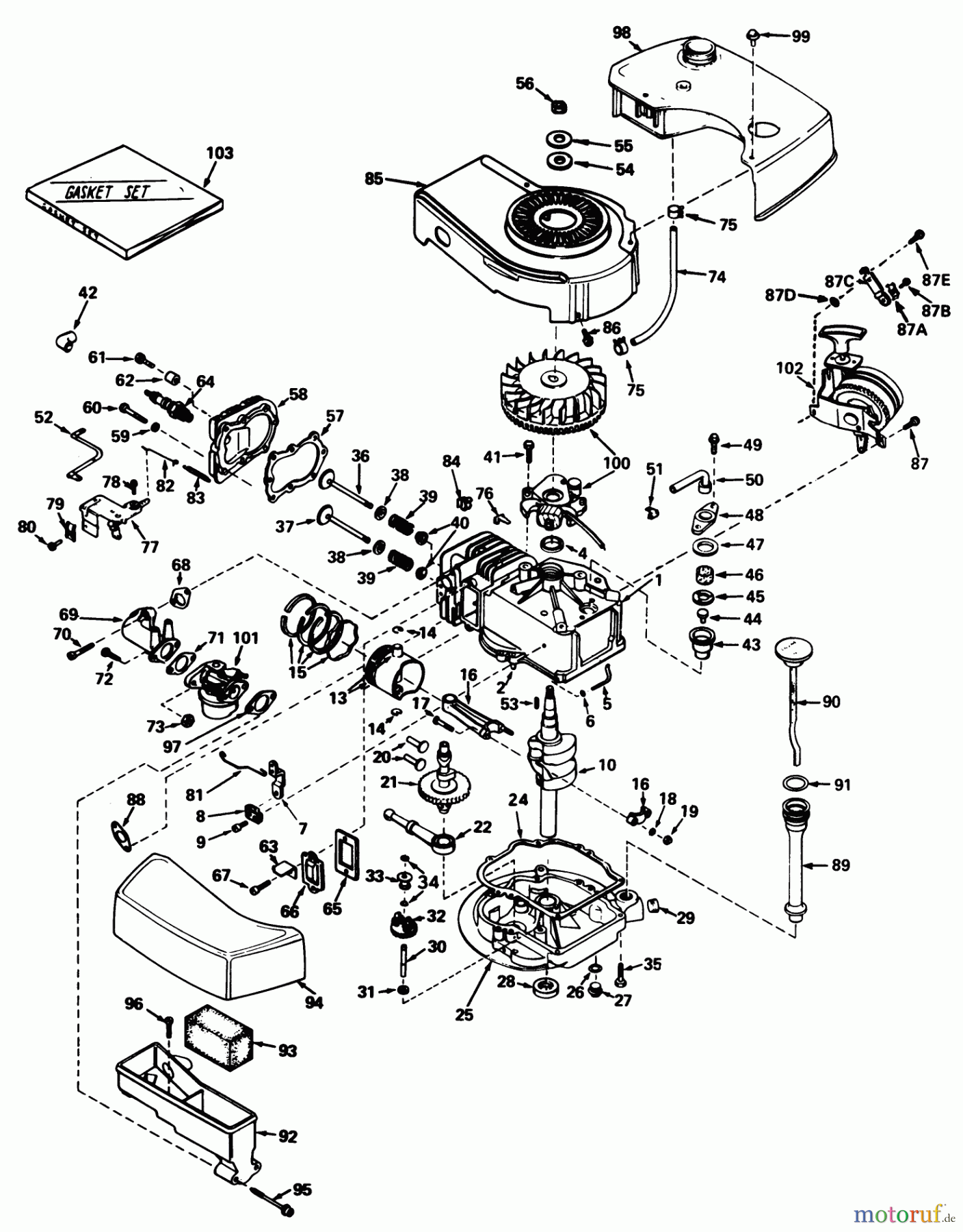
Hier finden Sie die Ersatzteilzeichnung für Toro Neu Mowers, Walk-Behind Seite 2 21500 - Toro Guardian Lawnmower, 1976 (6000001-6999999) ENGINE TECUMSEH MODEL TNT100-10047. Wählen Sie das benötigte Ersatzteil aus der Ersatzteilliste Ihres Toro Gerätes aus und bestellen Sie einfach online. Viele Toro Ersatzteile halten wir ständig in unserem Lager für Sie bereit.





